12V 升 220V 的升壓器電路憑借其獨特的電壓轉換功能,擁有著不可忽視的應用價值。以下是對其關鍵設計要點的闡述:
一、基于三極管 2N3055 的升壓電路


該升壓電路運用功率較大的三極管 2N3055,其電阻配置簡潔,僅使用兩個電阻。為提升電路輸出功率,建議選用功率較高的電阻。如示例電路中采用 1W 的 400 歐姆電阻,倘若缺少此類電阻,鑒于當下 1/4W 電阻更為常見,可巧妙并聯四個總阻值約 400Ω 的 1/4W 電阻予以替代,以滿足電路對電阻功率的要求。
二、基于 MOS 場效應管與電源變壓器的逆變器電路


電路圖巧妙地將 MOS 場效應管與普通電源變壓器相結合,構建出逆變器架構。輸出功率大小緊密關聯 MOS 場效應管及電源變壓器的功率參數。通過精心挑選功率適配的 MOS 場效應管與電源變壓器,并依據電路設計要求進行合理組裝,便可達成預期的升壓效果。
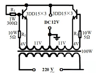
三、12V 直流升壓至 220V 交流電路


該電路致力于實現將 12V 直流電壓升壓至 220V 交流電壓。核心環節是選用合適的變壓器,例如 100W 機床控制變壓器。具體操作流程如下:
變壓器改造 :拆解變壓器鐵芯,拆除原次級線圈,并精準記錄次級線圈匝數,為后續計算每伏所需線圈匝數提供關鍵依據。
新線圈繞制 :運用漆包線先繞制一個 22V 的主線圈,且在中間位置巧設抽頭。隨后,采用更細漆包線繞制兩個 4V 的反饋線圈,注意線圈間需用牛皮紙做好絕緣處理。完成繞制后,將鐵芯復位,并正確連接兩個 4V 次級線圈與主線圈。
電阻配置 :與 4V 線圈串聯的兩個電阻 R2、R3 可借助電阻絲制作,阻值依輸出功率而定,常規為幾歐姆。此外,為穩定電流,可接入 1W300Ω 的偏流電阻,雖非強制,但從確保管子參數一致及電路穩定振蕩角度出發,接入為宜。
三極管選配與調試 :每邊采用三只 3DD15 并聯,共六只管子。電路連接完畢后,先全面檢查無誤,再通電調試。先接通蓄電池與負載(如 100W 白熾燈),合上開關,燈泡應正常發光。若未正常發光,適當減小基極電阻直至燈泡亮度正常。隨后以彩電為負載進行測試,彩電無法正常啟動時,同樣調整基極電阻。完成上述調試后,電路即能穩定運行。
〈烜芯微/XXW〉專業制造二極管,三極管,MOS管,橋堆等,20年,工廠直銷省20%,上萬家電路電器生產企業選用,專業的工程師幫您穩定好每一批產品,如果您有遇到什么需要幫助解決的,可以直接聯系下方的聯系號碼或加QQ/微信,由我們的銷售經理給您精準的報價以及產品介紹
聯系號碼:18923864027(同微信)
QQ:709211280

