一、共發射極放大電路基礎
最常見的小信號放大電路之一是共發射極放大電路。

在這種電路中,輸入信號被施加到基極,輸出信號從集電極取出,而發射極作為公共端接地。以一個典型的應用場景為例:當在輸入端施加一個頻率為1kHz、峰值為1V的正弦波信號時,若電路正常工作,我們可以在輸出端通過示波器觀測到峰值為5V的信號,這表明該電路成功地將輸入信號放大了5倍。這種放大的程度通常用放大倍數AV表示,其計算公式為AV=V0/Vi,其中V0代表輸出信號的幅度,Vi代表輸入信號的幅度。

在這種電路中,輸入信號被施加到基極,輸出信號從集電極取出,而發射極作為公共端接地。以一個典型的應用場景為例:當在輸入端施加一個頻率為1kHz、峰值為1V的正弦波信號時,若電路正常工作,我們可以在輸出端通過示波器觀測到峰值為5V的信號,這表明該電路成功地將輸入信號放大了5倍。這種放大的程度通常用放大倍數AV表示,其計算公式為AV=V0/Vi,其中V0代表輸出信號的幅度,Vi代表輸入信號的幅度。
二、低頻小信號共射放大電路分析


對于低頻小信號共射放大電路,其分析方法常借助疊加定理。該電路包含一個低頻交流小信號電壓源uS和一個直流電壓源+UCC。
具體分析過程如下:
首先,讓+UCC電壓源單獨作用,此時將uS短路。此步驟旨在分析直流電源對電路靜態工作點的影響,確定電路在無交流信號輸入時的偏置狀態,為后續交流信號的放大提供合適的起始條件。
接著,讓uS電壓源單獨作用,而將+UCC短路。這一步驟用于研究交流信號在電路中的傳輸與放大特性,重點關注電路對交流信號的響應能力以及可能存在的相位變化等情況。
最后,將上述兩種情況下得到的電壓和電流分別進行疊加,得到電路在同時存在直流電源和交流信號時的實際工作狀態。這一步驟綜合考慮了直流偏置和交流信號的共同作用,能夠全面反映電路的實際運行情況,為后續的性能評估和優化設計提供依據。
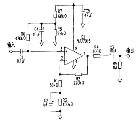
三、小信號交流放大器設計實例


一個設計精巧的小信號交流放大器電路示例采用NIV7015CMOS運算放大器,能夠在單電源供電且電源電壓低至1V的條件下正常工作。這種運放屬于滿擺幅運放,具有出色的輸出性能。在設計過程中,盡管數據手冊未直接提供電源電壓為1V時的詳細參數,但可以參考同相輸入電壓VICM=0V-0.5V,以及最大輸出電壓幅度VOM1=VDD-0.1V、VOM2=VSS+0.1V來進行合理的電路設計。
在一般的滿擺幅輸出運放應用中,將偏置電壓設置為VCC/2或VDD/2是常見的做法。然而,在本電路中,若采用VDD/2作為偏置電壓,會導致輸出信號的正負半周動態范圍嚴重不對稱,正半周很容易出現限幅失真,影響信號的質量和放大效果。
為解決這一問題,對輸入端的直流偏壓進行了精確調整。具體方法是利用電阻R2和R8進行分壓,將輸入的直流偏置電壓設定為電源電壓VDD的四分之一。然后,經過R6將該直流偏壓送入同相放大電路的同相輸入端。同時,將運放的直流放大倍數設定為以地為基準的兩倍,這樣輸出端的直流輸出電壓就被穩定在電源電壓VDD的二分之一,為交流信號的疊加提供了合適的直流偏置條件。
對于交流增益的設定,若同時將交流放大倍數設定為兩倍,則會導致交流增益過小,無法滿足放大需求。因此,在電路中創新性地將設定放大器增益的電阻分為R1和R3兩部分,并在R3兩端并聯一個1μF的交流旁路電解電容器。這種設計使得放大器的直流增益和交流增益可以被分別設定為不同的值。在圖示電路中,交流增益被設定為5倍,以滿足對小信號的有效放大要求。
四、電路性能參數
該小信號交流放大器電路的主要性能參數如下:
輸入阻抗為470kΩ,能夠與多種信號源良好匹配,減小信號源內阻對放大效果的影響,保證輸入信號的完整性。
輸出電壓約為1Vpp,滿足一般低電平信號處理的需求,可直接驅動后續的信號處理電路或負載。
電源電壓僅為1V,消耗電流為10mA,這使得電路具有較低的功耗,適合在對電源電壓和電流有嚴格限制的便攜式或低功耗應用中使用。
〈烜芯微/XXW〉專業制造二極管,三極管,MOS管,橋堆等,20年,工廠直銷省20%,上萬家電路電器生產企業選用,專業的工程師幫您穩定好每一批產品,如果您有遇到什么需要幫助解決的,可以直接聯系下方的聯系號碼或加QQ/微信,由我們的銷售經理給您精準的報價以及產品介紹
聯系號碼:18923864027(同微信)
QQ:709211280

