降壓轉換器(降壓型開關穩壓器)的工作模型


開關電源可以我們可以看成是一個自動控制系統,里面電流流動可以看成是水流的流動。輸入電容我們可以把它看成一個高容量的大水庫,而輸出電容則相當于一個低容量的小水箱。我們把一小杯一小杯的水從大水池傳送到小水
池,通過控制傳送的間隔時間和水杯的水量來實現小水池里面固定的水量,這就相當于開關電源通過控制電流的流動來穩定輸出電壓。
當輸出端的電壓減小時,開關電源便會增加電流的流動,相當于增加水杯中的水量,來保持輸出電壓的穩定。相反,當發現輸出的電壓升高時,開關電源會減小電流的流動,相當于減小水杯中的水量,來保持輸出電壓的穩定。
因此,通過調節電流的流動多少,開關電源以此來確保輸出電壓的穩定,即便在負載變化的情況下也是正常輸出。這種自動控制系統的工作原理就相當于于一個閉環控制系統,其中輸出電壓被反饋回控制系統,以方便與設定值進行比較和調整。
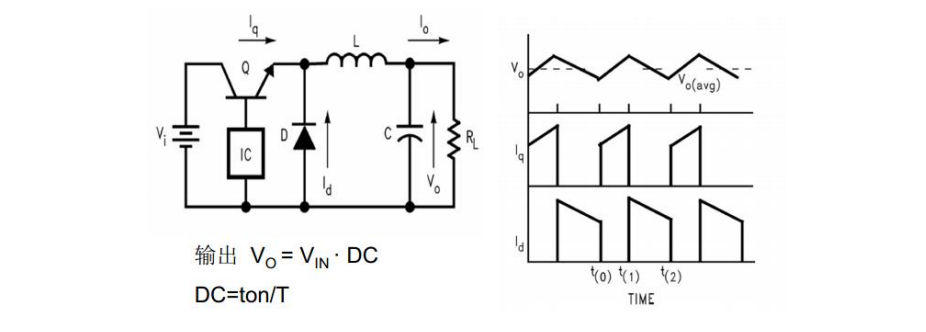
降壓轉換器基礎(電流和電壓波形)


如圖,當開關Q導通時,能量從Q的發射極即輸入端向輸出端傳遞,電流以斜線形式增大,類似于模型中水庫的水傳遞到小水池。當發現小水池的水位過高時,開關Q便會斷開,這時電感L、負載Rl和二極管D形成自然的續流回路,電流開始線性下降。當發現小水池的水位降低到一定程度的時侯,開關Q重新導通。開關Q通過這種高頻的開通和關斷操作,開關電源便形成了一個穩定的輸出電壓。
降壓轉換器拓撲


上面圖展示了一個電路結構,通過兩個電阻之間的分壓來采樣輸出電壓Vout,然后通過比較器與基準電壓去進行比較。如果輸出電壓低于基準電壓的話,則MOS管導通;如果輸出電壓高于基準電壓,則MOS管斷開。進而通過這種高頻的開通和關斷操作,開關電源便形成了一個穩定的輸出電壓。
下面的圖便是一個工作中常用的降壓芯片,型號為LM22676,它的寬輸入電壓范圍:4.5V 至 42V,可以穩定的輸出5V3A供負載使用。此芯片中FB引腳便是一個采樣反饋引腳,SW便是輸出控制引腳,以此來達到一個動態平衡的輸出。大家會疑問這個電路中,D1使用的是一個快恢復或者肖特基二極管。為什么要使用這種肖特基二極管呢?因為普通的二極管的寄生參數和漏感原因,會導致在SW發信號,芯片內部MOS管將要開通時產生一個高壓震蕩,這個震蕩極有可能會導致芯片的SW引腳遭受高壓損壞,而且開關損耗也會非常大,導致效率非常低。因此,我們通常會使用快恢復或肖特基二極管來應對這些問題。
〈烜芯微/XXW〉專業制造二極管,三極管,MOS管,橋堆等,20年,工廠直銷省20%,上萬家電路電器生產企業選用,專業的工程師幫您穩定好每一批產品,如果您有遇到什么需要幫助解決的,可以直接聯系下方的聯系號碼或加QQ/微信,由我們的銷售經理給您精準的報價以及產品介紹
〈烜芯微/XXW〉專業制造二極管,三極管,MOS管,橋堆等,20年,工廠直銷省20%,上萬家電路電器生產企業選用,專業的工程師幫您穩定好每一批產品,如果您有遇到什么需要幫助解決的,可以直接聯系下方的聯系號碼或加QQ/微信,由我們的銷售經理給您精準的報價以及產品介紹
聯系號碼:18923864027(同微信)
QQ:709211280

