超聲波測距是一種利用超聲波的可定向發射﹑指向性好等特性﹑結合電子計數等微電子技術來實現的非接觸式檢測方式,在使用中不受光線、電磁波﹑粉塵等因素影響,加之信息處理簡單﹑成本低,速度快,因此在避障﹑車輛的定位與導航﹑液位測量等領域得到廣泛的應用。但是在使用中會出現由于回波信號過于微弱而導致系統測量誤差加大的問題,因此本文介紹了一種收發一體式的超聲波測距系統。
1.波測距原理
諧振頻率高于20kHz的聲波為超聲波。超聲波為直線傳播方式,頻率越高,反射能力越強,而繞射能力越弱。利用超聲波的這種特性,常常用渡越時間檢測法進行距離的測量。其工作原理是:換能器向介質發射超聲波,聲波遇到目標后必然有反射回波作用在換能器上。若已知介質中聲速為c,回波到達時刻與發射波時刻的時間差為t,就可以計算出發射點與反射點的距離s:


式1
式中c為超聲波的傳播速度m/s。
超聲波在固體中傳播速度最快,在氣體中傳播速度最慢,而且聲速c與溫度有關。如果環境溫度變化顯著,必須考慮溫度補償問題。空氣中聲速與溫度的關系可以表示為:


式2
式中T為環境溫度℃。
由于超聲波在傳播過程中,聲壓會隨距離的增大而呈指數規律衰減,遠目標的回波信號幅度小信噪比低,用固定閾值的比較器檢測回波,可能導致越過門檻的時刻前后移動,從而影響計時的準確性,這必然會影響到測距的準確度。在回波接收電路中串入隨時間變化的自動增益控制(AGC)電路,電壓放大倍數隨測距距離的增大呈指數規律增加 ,使接收回波的幅值保持恒定或者僅在較小范圍內變化,再經過整形電路輸出,這樣可以大幅度地提高測距的精度。
2.系統設計
根據超聲波在空氣中的傳播特性,設計了帶有自動增益控制的超聲波測距系統,系統框圖如圖1。


圖1 系統原理框圖
系統由ATMH公司生產的AT89C52單片機﹑超聲波發射電路、發射接收切換電路接收前置放大濾波電路、自動增益控制(AGC)電路、整形電路、環境溫度采集電路、E2PROM存儲電路、顯示電路和超聲波傳感器組成。AT89C52單片機為整個系統的核心部件,協調各部分電路的工作。傳感器選用TCF40-16型收發一體式超聲波傳感器,諧振頻率為40 kH;單片機產生的40 kH的脈沖信號,經三極管和變壓器放大后,通過發射接收切換電路驅動超聲波傳感器;每次發射7個脈沖,當第一個脈沖發射后 ,啟動計數器開始計數;回波信號經過發射驅動接收轉換電路﹑前置放大電路﹑帶通濾波電路﹑自動增益控制(AGC)電路整形電路后經過比較器輸入AT89C52單片機中 ,單片機AT89C52停止計數器計數;環境溫度采集電路將現場溫度數據送到單片機中 ,最后利用式(⑴)、式(2)計算出距離,并由顯示電路顯示出來。
2.1硬件設計
2.1.1超聲波發射驅動及接收轉換電路
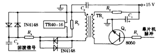
發射驅動及接收轉換電路如圖2。

圖2 超聲波發射驅動及接收轉換電路原理圖
工作原理為:由AT89C52單片機產生40kHz的TIL脈沖信號通過P1.0輸出,再經過三極管Q1和變壓器TR1進行功率放大,在變壓器副線圈上將電壓10倍放大后,換能器上加載的正弦電壓幅值約為100 V。在變壓器TR1原線圈上,串聯了限流電阻R2;變壓器TR1副線圈上,R3是與超聲波換能器進行阻抗匹配的電阻,在副線圈導通時,由于加在換能器上的電壓很大(100V) ,接地的兩個反向并聯的二極管對后面的接收電路的前置放大電路輸入端進行鉗位,使其電壓最大不超過0.7V,以免前置放大電路的輸入端電壓因為過高而發生阻塞。
超聲波在空氣中傳播,遇到目標物體反射的回波信號,加載到超聲波換能器上,換能器由于壓電效應產生微弱電壓信號 ,輸出的這種回波信號是mV級的電壓信號。由于二極管的導通電壓為0.7 V,回波信號不能經過兩個反向并聯的IN4148和變壓器副線圈構成回路,只能經過電阻R4、電容C3送入前置放大電路的輸入端。
2.1.2接收電路
在接收電路中,設計了前置放大、帶通濾波(中心頻率fo=40 kHz)、自動增益控制(AGC)電路和整形電路。前置放大、自動增益控制(AGC)電路把微弱回波信號放大了200倍以上,足夠滿足后面整形電路的需要;帶通濾波電路為濾波效果比較理想的高Q值、窄寬帶的二階帶通濾波器,實驗表明輸出波形穩定,濾波效果理想,實驗數據能達到測量精度的要求。
2.1.3自動增益控制(AGC)電路
超聲波回波信號隨著被測距離大小的變化,其幅值變化也很大,必須經過增益控制,以滿足整形電路的要求。實現增益隨時間呈指數變化的AGC電路有多種,設計了通過軟﹑硬件結合的AC電路,它是由可編程放大器AD620AN、數字電位器MAX5400結合單片機聯合實現。如圖3所示。

圖3自動增益控制(AGC)電路原理圖
AD620AN是一種電阻可編程放大器,內部由三運放組成,具有很高的精度和共模抑制比。增益范圍為1~1 000,由管腳1.8之間的電阻調節。增益公式為:


式3
式中RG的單位為kΩ。
MAX5400是一種具有256抽頭的數字電位器,端-端阻值為50 kΩ,溫度系數小于5×10-6℃,并帶有SPI接口。管腳3、4、5與單片機相連,實現增益的調節。事先把通過實驗獲得的與一定距離對應的較為理想的放大倍數換算成數字電位器的抽頭位置,并把這些位置參數固化到E2PROM中。單片機以計時器中斷的方式來設置增益,到了一個時刻就由內部定時器產生一次中斷,中斷服務子程序通過查表方式獲得對應的增益,然后通過SPI接口設置對應增益。
2.1.4溫度補償
根據式(2)可知,溫度對聲速的影響較大,若不進行補償,將會帶來測量誤差,為了提高系統的測量精度,設計了溫度補償電路。系統采用數字溫度計DS1820來采集溫度,DS1820是單線串行數字溫度計,可直接與單片機連接并且接線形式簡單,測量范圍為-55~125℃,- 10~85℃時測量精度為0.5℃。傳感器輸出的是用9位二進制編碼表示的溫度值 ,根據實際溫度的值,利用式(2)可計算補償聲速。
2.2系統軟件設計
系統軟件包括主程序溫度采集子程序、發射子程序、計算子程序數碼顯示子程序、外部中斷子程序和定時器中斷子程序。主程序完成初始化和各個子程序的調用,最后把測量結果用數碼管電路顯示出來(如圖4)。

圖4 主程序流程圖
3.實驗結果與分析
為了驗證系統的測量精度,在實驗室進行了實地測量。正對光滑硬質表面進行測量,測量數據如表1所示,表1中實際距離是用鋼質卷尺測量得到的。


實驗數據及其測量誤差
從表1中數據可以看出,由于采用收發一體式的測距電路,換能器振子必須在余震消除后才能進行接收,因此系統有很大的盲區;在量程范圍內,由于采用了自動增益控制技術,測量誤差沒有隨著測量距離的增加而增大;除了個別測量數據具有負偏差外,大部分數據都要比實際距離要大,這是由于電路的延遲及整形電壓的起伏,導致測量時間有所增大,進而體現在測量數據的偏大。
結束語
以上就是基于單片機的高精度超聲波測距系統設計介紹了。本系統結構簡單﹑精度較高。采用前置放大器、AGC電路﹑濾波器等檢測電路對接收信號進行處理,取得了良好的效果。實驗表明,在近距離測量范圍內,這種方法可以達到mm級。這種收發一體式的測距系統是一種理想的非接觸檢測方式,它可以滿足料位檢測﹑液位探測及微地形構造等方面的需要。在測量精度方面,還可以采用一些改進措施,在系統穩定性方面也要進行改進,盡量減小系統的測量偏差。
〈烜芯微/XXW〉專業制造二極管,三極管,MOS管,橋堆等,20年,工廠直銷省20%,上萬家電路電器生產企業選用,專業的工程師幫您穩定好每一批產品,如果您有遇到什么需要幫助解決的,可以直接聯系下方的聯系號碼或加QQ/微信,由我們的銷售經理給您精準的報價以及產品介紹
聯系號碼:18923864027(同微信)
QQ:709211280

