什么是TL494?
TL494開關電源芯片集成了在單個芯片上構建脈沖寬度調制(PWM)控制電路所需的所有功能。該器件主要設計用于電源控制,可靈活地為特定應用定制電源控制電路。
TL494是一種固定頻率脈寬調制電路,它包含了開關電源控制所需的全部功能,廣泛應用于橋式單端正激雙管式、半、全橋式開關電源。TL494專為單芯片脈寬調制應用電路而設計。
TL494帶有一個內置可變振蕩器、一個死區時間控制器級 (DTC)、一個用于脈沖轉向的觸發器控制、一個精密 5 V 穩壓器、兩個誤差放大器和一些輸出緩沖電路。
誤差放大器的共模電壓范圍為 - 0.3 V 至 VCC - 2V。
死區時間控制比較器設置了一個固定的偏移值,以提供大約 5% 的恒定死區時間。
TL494引腳功能介紹
tl494引腳圖


引腳1 和 引腳2(1 IN+ 和 1IN-):運算放大器 1 的同相和反相輸入。
引腳16、引腳15(1 IN+ 和 1IN-):運算放大器 2 的同相和反相輸入。
引腳 8 和 引腳11 (C1, C2): IC 的輸出1 和 2,它們與各自內部晶體管的集電極連接。
引腳 5 (CT):引腳需要連接一個外部電容來設置振蕩器頻率。
引腳 6 (RT):引腳需要連接一個外部電阻來設置振蕩器頻率。
引腳 4 (DTC):它是內部運算放大器的輸入,控制 IC 的死區時間操作。
引腳 9 和 引腳10(E1 和 E2):這些是 IC 的輸出,與內部晶體管的發射極引腳連接。
引腳 3(反饋):輸入引腳用于與輸出采樣信號集成,以實現所需的系統自動控制。
引腳 7 (Ground):此管腳為 IC 的接地引腳,需接電源 的 0 V。
引腳 12 (VCC):這是 IC 的 正電源引腳。
引腳 13 (O/P CNTRL):此引腳可配置為在推挽模式或單端模式下啟用 IC 的輸出。
引腳 14 (REF):此輸出引腳提供恒定的 5V 輸出,可用于在比較器模式下為誤差運算放大器固定參考電壓。
TL494工作原理
TL494內部結構圖:


1)5V基準源(Reference Regulator)
TL494內置了基于帶隙原理的基準源,基準源的穩定輸出電壓為5V,條件是VCC電壓在7V以上,誤差在100mV之內。基準源的輸出引腳是第14腳REF。
(2)鋸齒波振蕩器(Sawtooth oscillator)
TL494內置了線性鋸齒波振蕩器,產生0.3~3V的鋸齒波。振蕩頻率可通過外部的一個電阻Rt和一個電容Ct進行調節, 其振蕩頻率為:f=1/RtCt,其中Rt的單位為歐姆,Ct的單位為法拉。鋸齒波可以在Ct引腳測量得到。
(3)運算放大器(Operational Amplifier)
TL494集成了兩個單電源供電的運算放大器。運算放大器傳遞函數為ft(ni,inv)=A(ni-inv),但不能越出輸出擺幅。一般電源電路中,運放接成閉環運行。少數特殊情況下使用開環,由外界輸入信號決定。兩個運放的輸出端分別接一個二極管,和COMP引腳以及后級電路(比較器)相連接。這保證了兩個運放中較高的輸出進入后級電路。
(4)比較器(Comparators)
運算放大器輸出的信號(COMP引腳)在芯片內部進入比較器正輸入端,和進入負輸入端的鋸齒波比較。當鋸齒波高于COMP引腳的信號時,比較器輸出0,反之則輸出1。
(5)脈沖觸發器(Pulse trigger)
脈沖觸發器在鋸齒波的下降沿且比較器輸出1時導通,它通過一個比較器對脈沖觸發器實行干擾,限制最大占空比。可設置的每端占空比上限最高為45%,在工作頻率高于150kHz時占空比上限是42%左右(當DTC引腳電平被設為0時)。
TL494 的最大賣點之一就是其內置的鋸齒波振蕩器。鋸齒波振蕩器產生 0.3 – 3V 的鋸齒波。此外,可以通過使用外部電阻 (Rt) 和電容 (Ct) 來調整振蕩頻率。
因此,默認振蕩頻率為 f =1/Rt*Ct。
其中 Ct 和 Rt 的單位分別是法拉和歐姆。
輸出脈沖的寬度是通過電容CT.上的正極性鋸齒波電壓與另外兩個控制信號進行比較來實現。功率輸出管Q1和Q2受控于或非門。當雙穩觸發器的時鐘信號為低電平時才會被選通,即只有在鋸齒波電壓大于控制信號期間才會被選通。當控制信號增大,輸出脈沖的寬度將減小。參見下圖。


控制信號由集成電路外部輸入,一路送至死區時間比較器,一路送往誤差放大器的輸入端。 死區時間比較器具有120mV的輸入補償電壓,它限制了最小輸出死區時間約等于鋸齒波周期的4%,當輸出端接地,最大輸出占空比為96%,而輸出端接參考電平時,占空比為48%。當把死區時間控制輸入端接上固定的電壓(范圍在0~3.3V之間)即能在輸出脈沖上產生附加的死區時間。
脈沖寬度調制比較器為誤差放大器調節輸出脈寬提供了一個手段: 當反饋電壓從0.5V變化到3.5時,輸出的脈沖寬度從被死區確定的最大導通百分比時間中下降到零。兩個誤差放大器具有從-0.3V到(Vcc 2.0)的共模輸入范圍,這可能從電源的輸出電壓和電流察覺得到。誤差放大器的輸出端常處于平,它與脈沖寬度調制器的反相輸入端進行”或”運算,正是這種電路結構,放大器只需最小的輸出即可支配控制回路。
當比較器CT放電,一個正脈沖出現在死區比較器的輸出端,受脈沖約束的雙穩觸發器進行計時,同時停止輸出管Q1和Q2的工作。若輸出控制端連接到參考電壓源,那么調制脈沖交替輸出至兩個輸出晶體管,輸出頻率等于脈沖振蕩器的一半。如果工作于單端狀態,且最大占空比小于50%時,輸出驅動信號分別從晶體管Q1或Q2取得。輸出變壓器一個反饋繞組及二極管提供反饋電壓。在單端工作模式下,當需要更高的驅動電流輸出,亦可將Q1和Q2并聯使用,這時,需將輸出模式控制腳接地以關閉雙穩觸發器。這種狀態下,輸出的脈沖頻率將等于振蕩器的頻率。
tl494開關電源原理圖
TL494典型電路:有刷電動機平滑調速
TL494外圍電路設計PWM調節由TL494CN芯片實現,其電路原理圖如下圖所示,主要功率器件采用夠個MOSFET并聯和多個二極管并聯的方式。為實現直流有刷電動機的平滑調速,將TL494的13號引腳接地,使TL494工作在單端輸出方式,實現PWM占空比從0到96%連續可調。


為了增大TL494的輸出驅動電流,提高驅動能力,并保護TL494的輸出端(9號和10號引腳),通過兩個高速二極管并聯輸出的方式,輸出最大500mA的電流,很大程度的提高了輸出的驅動能力。并在輸出端單獨采用達林頓管推挽輸出,來驅動電樞回路中多個并聯的MOSFET,多個MOSFET并聯時需要注意均流和散熱。
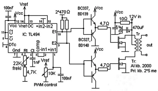
TL494逆變器


這是一個圍繞 IC TL494 構建的經典逆變器電路。輸出配置為推挽方式工作,因此此處的輸出控制引腳與 +5V 參考連接,這是通過引腳#14 實現的。
〈烜芯微/XXW〉專業制造二極管,三極管,MOS管,橋堆等,20年,工廠直銷省20%,上萬家電路電器生產企業選用,專業的工程師幫您穩定好每一批產品,如果您有遇到什么需要幫助解決的,可以直接聯系下方的聯系號碼或加QQ/微信,由我們的銷售經理給您精準的報價以及產品介紹
聯系號碼:18923864027(同微信)
QQ:709211280

