電流放大器是一種電子設備,用于通過預設信號增加輸入信號的電流幅度。簡而言之就是使給定輸入電流更高的放大器,它的特點是低輸入阻抗和高輸出阻抗。
電流放大器一般是由電源、電力電子電路、感性負載、控制器等四個部分構成,采用輸出電流閉環控制,其基本結構如圖所示。


理想電流放大器要求輸出電流im(t)完全復現電流指令iref(t),即im(t)= iref(t)。由于感性負載電流不能突變的特性,感性負載對電流表現為慣性環節,這種慣性往往會導致負載電流變化滯后于電流指令變化,對于電流響應要求較高的系統這是不利的。增大負載電感有利于減小電流放大器輸出電流紋波,但同時會增加負載的慣性,減小系統的動態響應速度。
電流放大器電路拓撲結構可以為電壓、電流在第一象限的Buck 電路,也可以采用電流單向流動、電壓雙象限的H 橋式電路,也可以采用四象限H 橋式電路,其拓撲電路結構如圖2(a)~圖2(c)所示。這三種電路結構針對不同應用場合靈活選取。


電流放大器采用輸出電流閉環控制,其控制原理圖如圖3所示。從圖3可以看出影響電流輸出響應速度的主要因素是阻感性負載的時間常數Te= L/RL,當此時間常數較大時,輸出電流響應難以提高。因此,提高電流放大器響應速度的主要措施就是減小被控對象的等效時間常數。


電流放大器的作用
1、在放大器系統中,電流放大器用于通過增加揚聲器的驅動強度來獲得更好的低音輸出。
2、具有可變增益的電流放大器用于許多工業制造系統,例如激光和水射流切割機,以控制完成制造的強度。
3、在傳感器系統中,電流放大器用于加強微弱的輸入信號,以供后續電路使用。
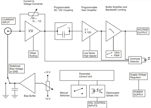
電流放大器原理電路圖

〈烜芯微/XXW〉專業制造二極管,三極管,MOS管,橋堆等,20年,工廠直銷省20%,上萬家電路電器生產企業選用,專業的工程師幫您穩定好每一批產品,如果您有遇到什么需要幫助解決的,可以直接聯系下方的聯系號碼或加QQ/微信,由我們的銷售經理給您精準的報價以及產品介紹

〈烜芯微/XXW〉專業制造二極管,三極管,MOS管,橋堆等,20年,工廠直銷省20%,上萬家電路電器生產企業選用,專業的工程師幫您穩定好每一批產品,如果您有遇到什么需要幫助解決的,可以直接聯系下方的聯系號碼或加QQ/微信,由我們的銷售經理給您精準的報價以及產品介紹
聯系號碼:18923864027(同微信)
QQ:709211280

