直流有刷電機并聯小電容
下圖為直流有刷電機驅動的一個簡單電路示意圖,本文主要是討論電機旁并聯電容的作用,并沒有畫出完整的驅動電路。

為什么電機旁要并一個小電容C1,它有什么作用?現在一起來討論下。
先來看下有刷直流電機的大概結構,如下圖所示.將此結構放到驅動電路中,如圖1所示

當前時刻,電刷正極和換向器B1接觸,電刷負極和換向器B2相連,同時MOS1和MOS4導通,MOS3和MOS2關閉,則線圈L1中有電流流過,如圖2所示。此時電機開始轉動,換向器也跟著轉動。
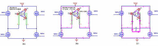
某一時刻,電機轉到了圖3中所示的位置,換向器B3開始和電刷正極接觸,此時換向器B1也和電刷正極有接觸,線圈L1和L2中均有電流流過,如圖4所示,電機繼續轉動。

當電機轉動到某一時刻,換向器B1和電刷正極開始脫離,如圖5所示,我們分析這一瞬間發生了什么,假設沒有C1電容。

因為前一時刻,線圈L1上有電流持續流過。所以當換向器B1和電刷正極開始脫離的瞬間,線圈L1的電流不能突變,此時L1線圈兩端感應出很高的反向電動勢,來維持電流原來的方向。
電流的方向從線圈L1的一端流出,它要尋找一個回路,回到線圈的另一端,可以來看下此時電流的回路是怎么樣的。
首先,L1線圈的左邊感應出很高的反向電動勢,此感應電動勢將比VCC要高,電流依然從左到右流動,通過電刷負極流到MOS3和MOS4的中點,此時,MOS1和MOS4還是導通的,MOS3和MOS2依然是關閉狀態。
則此時線圈L1的電流可以分兩個方向流動,一個是通過MOS4的DS,然后到地,然后通過MOS2的體二極管,流到電刷正極。
另外一個方向是通過MOS3的體二極管,然到是VCC線,然后通過MOS1的DS,流到電刷正極,電流的最終目的是要通過換向器B1,回到線圈的另一端。但是此時換向器B1和電刷已經分離出縫隙,不能形成回路。
電流還存在,反向感應電動勢也很大,因此,電刷正極和換向器之間的空氣會被這個很大的反向感應電動勢擊穿,從而產生火花。
上面描述的兩條電流路徑如圖6所示??梢钥吹剑删€圈L1產生的反向感應同時流到了地和VCC,回流路徑比較長,會使得電源線上產生較大的EMI干擾,影響到其他電路。
那么怎么樣讓這個干擾的影響降至最低呢,降低或消除干擾,可以從源、回路、阻抗這三個方面來想辦法。
要么讓干擾源不存在,要么縮短干擾的回路面積,要么增大回路上的阻抗,阻止干擾通過。
先來看下干擾源,源是線圈L1,要想干擾源不存在,就要把線圈拿掉,這顯然是無法做到的。增加回路阻抗是可以,但是這樣流過電機的電流也變小,力和速度也就降低了,也不合適。
那么,只有縮短回路面積,盡可能的讓干擾形成最短的回路,盡可能不讓它通過電源或地線形成回路,因此在電機旁并小電容的作用就體現出來了。
并了小電容后,線圈L1回流路徑,如圖7所示,這時流過小電容的電流是主要回路,如圖中粗線所示,而流過電源和地的是次要回路,如圖中細線所示,因此電源線上的干擾將大大減少。
綜上所述,直流有刷電機并聯小電容的作用是減少干擾源的回路面積,降低干擾源對其他電路的影響。
至于為什么并聯的小電容,而不是大電容呢,那是因為由反向感應電動勢產生雖然很高,但維持的時間很短,是一種尖峰脈沖,包含豐富的高次諧波,因此需要較小電容來吸收??梢赃x擇0.1uF左右的電容或實際調試觀察波形來選擇合適的電容。
〈烜芯微/XXW〉專業制造二極管,三極管,MOS管,橋堆等,20年,工廠直銷省20%,上萬家電路電器生產企業選用,專業的工程師幫您穩定好每一批產品,如果您有遇到什么需要幫助解決的,可以直接聯系下方的聯系號碼或加QQ/微信,由我們的銷售經理給您精準的報價以及產品介紹
聯系號碼:18923864027(同微信)
QQ:709211280

