逆變器由逆變電路、邏輯控制電路、濾波電路三大部分組成,主要包括輸入接口、電壓啟動回路、MOS 開關管、PWM 控制器、直流變換回路、反饋回路、LC 振蕩及輸出回路、負載等部分。
控制電路控制整個系統的運行,逆變電路完成由直流電轉換為交流電的功能,濾波電路用于濾除不需要的信號,逆變器的工作過程就是這樣子的了。
其中逆變電路的工作還可以細化為:首先,振蕩電路將直流電轉換為交流電;其次,線圈升壓將不規則交流電變為方波交流電;最后,整流使得交流電經由方波變為正弦波交流電。

逆變器電路(一)
變壓器可選用一個 100W 機床控制變壓器,將變壓器鐵芯拆開,再將次級線圈拆下來,并記錄匝數,以便于計算每伏圈數。然后用φ1.35mm 的漆包線重新繞次級線圈,先繞一個 22V 的主線圈,在中間抽頭,再用φ0.47 的漆包線繞兩個 4V 的反饋線圈,線圈的層間用較厚的牛皮紙絕緣。
線圈繞好后插上鐵芯,將兩個 4V 次級分別和主線圈連在一起,注意頭尾的別接反了。可通電測電壓,如果 4V 線圈和主線圈連接后電壓增加說明連接正確,反之就是錯的,可換一下接頭就可以了。

與 4V 線圈串聯的兩個電阻 R2、R3 可用電阻絲制作,可根據輸出功率大小選擇電阻的大小,一般為幾歐姆,輸出功率大時,電阻越小,偏流電阻用 1W300Ω的電阻,不接這個電阻也能工作,但由于管子的參數不一致有時不起振,最好接一個。
三極管的選擇:每邊用三只 3DD15 并聯,共用六只管子,電路連接好后檢查無錯誤,就可以通電調整了,接上蓄電池,找一個 100W 的白熾燈做負載,打開開關,燈泡應該能正常發光,如果不能正常發光,可減小基極的電阻,直到能正常發光為止,再接上彩電看能否正常啟動,不能正常啟動也是減小基極的電阻,調整完畢后就可以正常使用了。
逆變器電路(三)
主要由 MOS 場效應管,普通電源變壓器構成。其輸出功率取決于 MOS 場效應管和電源變壓器的功率,免除了煩瑣的變壓器繞制,適合電子愛好者業余制作中采用。
電路圖

逆變器電路(四)
這是一種性能優良的家用逆變電源電路圖,材料易取,輸出功率 150W. 本電路設計頻率為 300Hz 左右,目的是縮小逆變變壓器的體積、重量。輸出波形方波。這款逆變電源可以用在停電時家庭照明,電子鎮流器的日光燈,開關電源的家用電器等其他方面。

電容器 C1、C2 用滌綸電容,三極管 BG1-BG5 可以用 9013:40V0.1A0.5W;BG6-BG7 可以用場效應管 IRF150:100V40A150W0.055 歐姆。先不接功率管,測 A 點、B 點對地的電壓,調整 R1 或 R2 使 A、B 兩個點的電壓要相同,這樣才能輸出的方波對稱,靜態電流也最少。
安裝時要注意下列事項:BG6、BG7 的焊接,必須用接地良好的電烙鐵或切斷電源后再焊接。大電流要用直徑 2.5MM 以上的粗導線連接,并且連線盡量短,電瓶電壓 12V、容量 12AH 以上。功率管要加適當的散熱片,例如用 100*100*3MM 鋁板散熱。如果你要增加功率,增加同型號的功率管并聯使用,相應地增加變壓器的功率。
逆變器電路(五)
本逆變器輸入端為汽車蓄電池(+12V,4.5Ah),輸出端為工頻方波電壓(50Hz,220V)。其系統主電路和控制電路框圖如圖 1 所示,采用了典型的二級變換,即 DC/DC 變換和 DC/AC 逆變。
12V 直流電壓通過推挽式變換逆變為高頻方波,經高頻升壓變壓器升壓,再整流濾波得到一個穩定的約 320V 直流電壓;然后再由橋式變換以方波逆變的方式,將穩定的直流電壓逆變成有效值稍大于 220V 的方波電壓,以驅動負載。
為保證系統的可靠運行,分別采集了 DC 高壓側電壓信號、電流信號及蓄電池電壓信號,送入 SG3525A,通過調整驅動脈沖的占空比或關斷脈沖來實現電壓調節、過流保護及欠壓保護等功能。

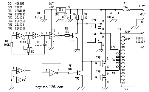
逆變器電路(六)
CD4047 是一種低功耗的 CMOS 非穩態 / 單穩態多諧振蕩器 IC。在這里,它是連接生產 0.01S180 度相 IC 的引腳 10 和 11 兩個脈沖序列作為一個非穩態多諧振蕩器。
引腳 10 連接到 Q1 和 11 腳的大門是連接到 Q2 的柵極。電阻 R3 和 R4 防止裝載各自的 MOSFET 的 IC。當第 10 腳是高第一季度進行電流流通過的上半部分占輸出交流電壓的正半的變壓器的初級。當 11 腳高第二季度進行電流流通過在相反方向的變壓器初級的下半部的,它的輸出交流電壓的負半帳戶。

〈烜芯微/XXW〉專業制造二極管,三極管,MOS管,橋堆等,20年,工廠直銷省20%,上萬家電路電器生產企業選用,專業的工程師幫您穩定好每一批產品,如果您有遇到什么需要幫助解決的,可以直接聯系下方的聯系號碼或加QQ/微信,由我們的銷售經理給您精準的報價以及產品介紹
聯系號碼:18923864027(同微信)
QQ:709211280

