穩壓二極管應用電路
1、穩壓二極管典型直流穩壓電路分析
穩壓二極管主要用來構成直流穩壓電路,這種直流穩壓電路結構簡單,穩壓性能一般。下圖所示是穩壓二極管構成的典型直流穩壓電路。電路中,VZ1是穩壓二極管,R1是VZ1的限流保護電阻。

未經穩定的直流工作電壓通過R1加到穩壓二極管上,由于工作電壓遠大于VZ1穩壓值,所以VZ1進入工作狀態,其兩端得到穩定的直流電壓,作為穩壓電路的輸出電壓。
當直流工作電壓大小波動時,流過R1和VZ1的電流大小隨之相應波動,由于穩壓二極管VZ1穩壓不變,這樣直流電壓大小波動的電壓降在電阻R1上。
2、電子濾波器中的穩壓二極管
下圖所示是電子濾波器中的穩壓二極管應用電路。電路中,VZ1是穩壓二極管,VT1是電子濾波管,C1是VT1基極濾波電容,R1是VT1偏置電阻。

在穩壓二極管導通后,VT1基極電壓被穩定在13V,根據三極管發射結導通后的結電壓基本不變特性可知,這時VT1發射極直流輸出電壓也是穩定的,達到穩定輸出電壓目的。
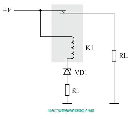
3、穩壓二極管構成的浪涌保護電路
下圖所示是穩壓二極管構成的浪涌保護電路。電路中,K1是繼電器,VZ1是穩壓二極管,R1是限流保護電阻,RL是負載電阻。

當工作電壓沒有浪涌出現時,工作電壓沒有高到足以使穩壓二極管VZ1導通的程度,這時VZ1截止,沒有電流流過繼電器K1,K1的觸點保持導通狀態,工作電壓通過繼電器觸點為負載RL正常供電。
當工作電壓出現浪涌時,由于電壓升高,穩壓二極管VZ1導通,這時有電流流過繼電器K1,K1的觸點斷開,電壓不能通過繼電器觸點為負載RL供電,達到保護負載RL的目的。
4、穩壓二極管構成的過電壓保護電路
下圖所示是穩壓二極管構成的過電壓保護電路。電路中VZ1是穩壓二極管,VT1是控制管,+115V是主工作電壓。

電阻R1和R2構成115V直流工作電壓的分壓電路,分壓后的電壓通過穩壓二極管VZ1加到VT1基極,當115V電壓大小正常時,R1和R2分壓后的電壓不足以使穩壓二極管導通,這時VT1基極電壓為0,VT1截止,其集電極為高電平,此時待機保護電路不動作,電路正常工作。
當電壓高于115V時,R1和R2分壓后的電壓足以使穩壓二極管VZ1導通,這時VT1飽和導通,其集電極為低電平,通過待機控制線的控制使電路進入待機保護狀態。
5、功率放大器中的過電壓保護電路
下圖所示是一種功率放大器中的過電壓保護電路。電路中,VZ1和VZ2是保護二極管,是穩壓比較高的穩壓二極管。VT1和VT2是功率放大器中的兩只輸出管。

(1)直流工作電壓正常時:穩壓二極管VZ1和VZ2不導通,相當于開路,對功率放大器正常工作無影響。
(2)保護時電路分析:直流電壓異常升高,穩壓二極管VZ1、VZ2便擊穿,鉗住VT1和VT2管集電極與發射極之間直流工作電壓,使VT1和VT2管集電極與發射極之間直流工作電壓不會進一步增大,以達到保護功放輸出管的目的。
6、穩壓二極管構成的限幅電路
下圖所示是穩壓二極管構成的限幅電路。電路中,A1和A2是集成電路,VZ1和VZ2是穩壓二極管。

從集成電路A1的1腳輸出信號通過R1加到集成電路A2的1腳。當集成電路A1的1腳輸出信號幅度沒有超過VZ1穩壓值時,這一信號完整的加到集成電路A2的1腳上;
當集成電路A1的1腳輸出信號幅度超過VZ1穩壓值時,幅度超過部分使VZ1導通,信號幅度的最大值被限制,達到限幅目的。
1)R2和VZ2構成的限幅電路與R1和VZ1構成的電路工作原理一樣,只是它用來限制集成電路A1的2腳輸出信號幅度。
2)R1和R2的作用一樣,它用來傳輸集成電路A1和A2之間的信號,同時也是VZ1和VZ2的限流保護電阻。
3)限幅電路只是限去電壓值超過穩壓二極管穩壓值的部分,對于信號電壓幅度小于穩壓二極管穩壓值的部分無限副作用。
7、穩壓二極管構成的電弧抑制電路
下圖所示是穩壓二極管構成的電弧抑制電路,這種電路通常用于一些功率較大的電磁吸鐵控制電路中。電路中,VZ1是穩壓二極管,L1是電感,R1是限流保護電阻,S1是電源開關。

這一電路的工作原理是:在電源開關S1從接通轉為斷開時,電感L1兩端產生的方向電動勢為上正下負,這一反向電動勢很大,通過R1加到了穩壓二極管VZ1兩端,使之導通,這樣將反向電動勢能量釋放,使開關S1上不會產生很大的電動勢,從而不能產生電弧,達到了消弧目的。
電源開關S1正常接通時,直流電壓通過R1加到VZ1上的電壓不夠大,不足以使VZ1導通,所以VZ1處于截止狀態,不影響電路正常工作。
電話:18923864027(同微信)
QQ:709211280
〈烜芯微/XXW〉專業制造二極管,三極管,MOS管,橋堆等,20年,工廠直銷省20%,上萬家電路電器生產企業選用,專業的工程師幫您穩定好每一批產品,如果您有遇到什么需要幫助解決的,可以直接聯系下方的聯系號碼或加QQ/微信,由我們的銷售經理給您精準的報價以及產品介紹

