上拉電阻與下拉電阻
上拉是將不確定信號通過一個電阻鉗位在高電平,電阻同時限流作用;下拉是將不確定信號通過一個電阻鉗位在低電平。
即,電路中加上拉電阻或下拉電阻的目的是確定某個狀態電路中的高電平或低電平。
簡單來說,電源到器件引腳上的電阻叫上拉電阻,作用是平時使用該引腳為高電平;地到器件引腳的電阻叫下拉電阻,作用是平時使該引腳為低電平。
對于非集電極(或漏極)開路輸出型電路(如普通門電路,其提升電流和電壓的能力是有限的,上拉和下拉電阻主要功能是為集電極開路輸出型電路提供輸出電流通道。
上拉是對器件注入電流,下拉是輸出電流;強弱只是上拉或下拉電阻的阻值不同)。
上拉電阻與下拉電阻怎么接線?
上拉電阻:電阻一端接VCC,一端接邏輯電平接入引腳(如單片機引腳)
下拉電阻:電阻一端接GND,一端接邏輯電平接入引腳(如單片機引腳)

如上圖,R13和R14,一端接到了3.3V,一端通過J17連接到單片機引腳,這兩個電阻就是上拉電阻。

如上圖,R18的一端連接到了GND,一端連接到了單片機的引腳(只不過是串了一個電阻后連接到了單片機引腳)。所以這個就是下拉電阻。
上拉電阻和下拉電阻有什么用?

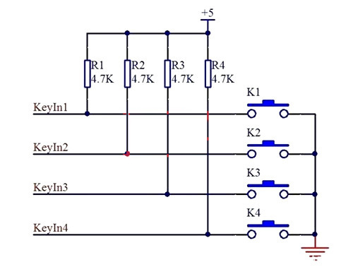
圖3 按鍵檢測的簡單電路圖
提高電路穩定性,避免引起誤動作。
上圖中的按鍵如果不通過電阻上拉到高電平,那么在上電瞬間可能就發生誤動作,因為在上電瞬間電路引腳電平是不確定的,上拉電阻R的存在保證了其引腳處于高電平狀態,就不會發生誤動作;提高輸出管腳的帶載能力。
受其他外圍電路的影響,電路在輸出高電平時能力不足,達不到VCC狀態,這會影響整個系統的正常工作,上拉電阻的存在就可以使管腳的驅動能力增強。
提高驅動能力:
例如,用單片機輸出高電平,但由于后續電路的影響,輸出的高電平不高,就是達不到VCC,影響電路工作。所以要接上拉電阻。
下拉電阻情況相反,讓單片機引腳輸出低電平,結果由于后續電路影響輸出的低電平達不到GND,所以接個下拉電阻。
在單片機引腳電平不定的時候,讓后面有一個穩定的電平:
例如上面接下拉電阻的情況下,在單片機剛上電的時候,電平是不定的,還有就是如果連接的單片機在上電以后,單片機引腳是輸入引腳而不是輸出引腳,那這時候的單片機電平也是不定的;
R18的作用就是如果前面的單片機引腳電平不定的話,強制讓電平保持在低電平。
如果IE_DATA那個地方,不連接任何引腳,那么由于R18的下拉作用,IE_DATA就是低電平,所以三極管就不會導通。
電話:18923864027(同微信)
QQ:709211280
〈烜芯微/XXW〉專業制造二極管,三極管,MOS管,橋堆等,20年,工廠直銷省20%,上萬家電路電器生產企業選用,專業的工程師幫您穩定好每一批產品,如果您有遇到什么需要幫助解決的,可以直接聯系下方的聯系號碼或加QQ/微信,由我們的銷售經理給您精準的報價以及產品介紹

