電流檢測電路
在電源等設備中通常需要做電流檢測或反饋,電流檢測通常用串聯采樣電阻在通過放大器放大電阻上的電壓的方法,如果要提高檢測精度這地方往往要用到比較昂貴的儀表放大器,以為普通運放失調電壓比較大。
下面介紹幾種巧妙、實用的電流檢測電路。
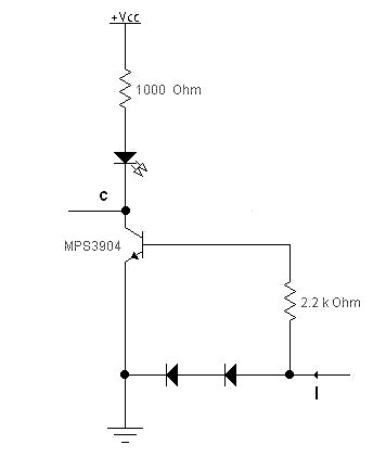
1. 三極管電流檢測電路

如果簡單的用三極管導通與截止來檢測電流的話,三極管開啟要0.7V左右,電流比較小的時候需要串比較大的采用電阻,同時浪費較大的反饋電壓,
如上圖方法,可以用比較小的電阻,消耗很小的電壓就能檢測到電流I,通過調整三極管基機電阻可以調整檢測的靈敏度。這個電路可以用在充電器等需要顯示有沒有充電電流的地方。
2. 高靈敏度電流檢測電路

這個電路用兩個二極管做電流采樣,靈敏度非常高,電流可以做到動態范圍很大,在大功率或高電壓應用場合比較合適,缺點是電壓需要損壞掉約1.4V。
3. TL431電流反饋電路

TL431 價格低廉,在開關電源的反饋環路大量應用,但其FB電壓為2.5V,直接用做電流反饋時要很大的采樣電阻,浪費電壓。
圖中用兩個TL431實現電流反饋,可以用比較小的采樣電阻實現精密的電流反饋,如果還有電壓反饋網絡,再并上U3的電壓反饋電路。
電話:18923864027(同微信)
QQ:709211280
〈烜芯微/XXW〉專業制造二極管,三極管,MOS管,橋堆等,20年,工廠直銷省20%,上萬家電路電器生產企業選用,專業的工程師幫您穩定好每一批產品,如果您有遇到什么需要幫助解決的,可以直接聯系下方的聯系號碼或加QQ/微信,由我們的銷售經理給您精準的報價以及產品介紹

