“數據采集”是指將溫度、壓力、流量、位移等模擬物理量采集并轉換成數字量后,再由計算機進行存儲、處理、顯示和打印的過程,相應的系統稱為數據采集系統。本文的主要任務是對0~5V的直流電壓進行測量并送到遠端的PC機上進行顯示。由于采集的是直流信號,對于緩慢變化的信號不必加采樣保持電路。因此選用市面上比較常見的逐次逼近型ADC0809芯片,該芯片轉換速度快,價格低廉,可以直接將直流電壓轉換為計算機可以處理的數字量。同時選用低功耗的LCD顯示器件來滿足其在終端顯示采集結果的需求。終端鍵盤控制采用盡可能少的鍵來實現控制功能,為了防止鍵盤不用時的誤操作。設計時還設置了鎖鍵功能,在鍵盤的輸入消抖方面,則采用軟件消抖方法來降低硬件開銷,提高系統的抗干擾能力。軟件設計方面則采用功能模塊化的設計思想;鍵盤模數轉換等采用中斷方式來實現,從而大大提高了單片機的效率以及實時處理能力。
1.數據采集系統的硬件結構
數據采集系統的硬件結構一般由信號調理電路、多路切換電路、采樣保持電路、A/D轉換器以及單片機等組成。本文主要完成功能的系統硬件框圖如圖1所示。

圖1 數據采集系統硬件結構框圖
2.ADC0809的結構功能
本數據采集系統采用計算機作為處理器。電子計算機所處理和傳輸的都是不連續的數字信號,而實際中遇到的大都是連續變化的模擬量,模擬量經傳感器轉換成電信號后.需要模/數轉換將其變成數字信號才可以輸入到數字系統中進行處理和控制,因此,把模擬量轉換成數字量輸出的接口電路,即A/D轉換器就是現實信號轉換的橋梁。
目前,世界上有多種類型的A/D轉換器,如并行比較型、逐次逼近型、積分型等。本文采用逐次逼近型A/D轉換器,該類AID轉換器轉換精度高。速度快,價格適中,是目前種類最多,應用最廣的A/D轉換器。逐次逼近型A/D轉換器一般由比較器、D/A轉換器、寄存器、時鐘發生器以及控制邏輯電路組成。
ADC0809就是一種CMOS單片逐次逼近式A/D轉換器,其內部結構如圖2所示。該芯片由8路模擬開關、地址鎖存與譯碼器、比較器、8位開關樹型D/A轉換器、逐次逼近寄存器、三態輸出鎖存器等電路組成。因此,ADC0809可處理8路模擬量輸入,且有三態輸出能力。該器件既可與各種微處理器相連,也可單獨工作。其輸入輸出與TTL兼容。

圖2 ADC0809的內部結構圖
ADC0809是8路8位A/D轉換器f即分辨率8位),具有轉換起停控制端,轉換時間為100μs采用單+5V電源供電,模擬輸入電壓范圍為0~+5V。且不需零點和滿刻度校準,工作溫度范圍為一40一+85℃功耗可抵達約15mW。
3.ADC0809與單片機的接口電路
ADC0809與MCS一51系列單片機的接口電路如圖3所示。圖中,74LS373輸出的低3位地址A2、A1、AO~II到通道選擇端A、B、C,可作為通道編碼。其通道基本地址為0000H~0007H。8051的WR與P2.7經過或非門后,可接至ADC0809的START及ALE引腳。8051的RD與P2.7經或非門后則接至ADC0809的OE端。ADC0809的EOC經反相后接到8051單片機的P3.3(INT1)。

圖3 ADC0809與8051單片機的接口電路圖
4.單片機與PC機的互連
目前的串行通信接口標準都是在RS一232標準的基礎上經過改進而形成的。RS一323C標準是美國EIA(電子工業聯合會)與BELL等公司一起開發通信協議。它適合于數據傳輸速率在0~20000b/s范圍內的通信。這個標準對串行通信接口(如信號線功能、電器)特性都作了明確規定。由于通行設備廠商都生產與RS-232C制式兼容的通信設備,因此,它作為一種標準,目前已在微機通信接口中廣泛采用。
4.1電氣特性
EIA-RS-232C對電器特性、邏輯電平和各種信號線功能都作了規定。在TxD和RxD上,邏輯1(MARK)電平為-3V~-15V,邏輯0(SPACE)電平為+3~+15V;而RTS、CTS、DSR、DTR和DCD等控制線上,信號有效(接通,ON狀態,正電壓)電壓為+3V~+15V,信號無效(斷開,OFF狀態,負電壓)電壓為-3V~-15V。
以上規定說明了RS-323C標準對邏輯電平的定義。對于數據(信息碼):邏輯“1”(傳號)的電平低于-3V,邏輯“0”(空號)的電平高于+3V;對于控制信號;接通狀態(ON)即信號有效的電平高于+3V,斷開狀態(OFF)即信號無效的電平低于-3V,也就是說,當傳輸電平的絕對值大于3V時,電路才可以有效地檢查出來,介于-3~+3V之間的電壓無意義。低于-15V或高于+15V的電壓也認為無意義,因此,實際工作時,應保證電平在±(3~l5)V之間。
對于EIA-RS-232C與TTL的轉換,由于EIA-RS-232C是用正負電壓來表示邏輯狀態,它與TTL以高低電平表示邏輯狀態的規定不同。因此,為了能夠同計算機接口或與終端的TTL器件連接,就必須在EIA—RS一232C與TTL電路之間進行電平和邏輯關系的變換。實現這種變換的方法可用分立元件,也可用集成電路芯片。
4.2DB-9連接器
DB-9連接器作為提供多功能I/O卡或主板上COM1和COM2兩個串行接口的連接器。它只提供異步通信的9個信號。由于DB-9型連接器的引腳分配與DB-25型引腳信號完全不同。因此,若要與配接DB-25型連接器的DCE設備進行連接,就必須使用專門的電纜線。
設計時對電纜長度的要求是在通信速率低于20kb/s時,RS-232C所直接連接的最大物理距離應為15m(50英尺)。
根據RS-232C標準規定,若不使用MODEM,在碼元畸變小于4%的情況下,DTE和DCE之間的最大傳輸距離為15m(50英尺)。由于這個最大距離是在碼元畸變小于4%的前提下給出的。因此,為了保證碼元畸變小于4%的要求,本接口標準在電氣特性中規定,驅動器的負載電容應小于25O0pF。
4.3單片機與MAX232的連接
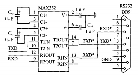
MAX232是一種雙組驅動器/接收器。該芯片可完成TTL↔ElA雙向電平轉換。其片內含有一個電容性電壓發生器。可以在單+5V伏電壓供電時提供EIA/TTL一232一E電平。每個接收器都應將EIM/TIA一232一E電平轉換為5VTTL/CMOS電平。這些接收器具有1.3V的典型門限值及0.5V的典型遲滯,而且可以接收30V輸入。每個驅動器都應將TTL/CMOS輸入電平轉換為EIA/TIA一232一E電平。MAX232的工作溫度范圍為0~70%。
圖4所示是MAX232芯片的工作電路圖。在實際應用中,該器件對電源的噪聲很敏感。圖中的四個取同樣數值的電解電容(1.OlxF/16V),用以提高抗干擾能力。本設計可從MAX232芯片中的兩路發送接收器中選用一路作為接口,但設計時應注意發送與接收的對應。

圖4 MAX232的應用電路圖
結束語
本文給出了一個基于AD0809和單片機的多路數據采集系統的硬件實現方法,該方法在終端采用8051單片機為核心來控制數據采集及數據上傳工作,并通過MD轉換器將0-5V的直流電壓轉換為計算機可以進行處理的數字信號,然后經過單片機對其進行處理,從而完成在終端顯示以及將數據上傳等功能。系統中的上位機完成對所采集的數據進行顯示及對下位機的控制等功能。
電話:18923864027(同微信)
QQ:709211280
〈烜芯微/XXW〉專業制造二極管,三極管,MOS管,橋堆等,20年,工廠直銷省20%,上萬家電路電器生產企業選用,專業的工程師幫您穩定好每一批產品,如果您有遇到什么需要幫助解決的,可以直接聯系下方的聯系號碼或加QQ/微信,由我們的銷售經理給您精準的報價以及產品介紹

