直流電機以其具有良好的調速性能、較大的起動轉矩和過載能力強等特點廣泛應用于各種領域。近年來,直流電機的結構和控制方式都發生了很大的變化,隨著計算機進入控制領域以及新型電力電子功率元件的不斷出現,PWM(pulsewidthmodulaon)調速已成為直流電機調速的新方式,并憑借開關頻率高、低速運行穩定、動態性能優良、效率高等優點在直流電機調速中被普遍運用。因此本文提出了基于基于80C196KC和L298N的直流電機PWM控制系統的設計。
1.PWM調速系統原理
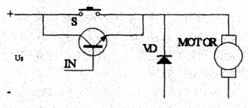
PWM即脈沖寬度調制是指利用大功率晶體管的開關特性來調制固定電壓的直流電源,按一個固定的頻率來接通和斷開,并根據需要改變一個周期內接通和斷開時間的長短,通過改變直流伺服電動機電樞上電壓的占空比來改變平均電壓的大小,從而控制電機的轉速。因此又常被稱為開關驅動裝置,PWM控制的示意圖如圖1所示。

圖1 PWM控制示意圖
改變占空比通常有PWM和PFM(pulsefrequencymodulaion)兩種方式。PWM是通過改變導通脈沖寬度,即通常所說的定頻調寬方式。PFM是導通脈沖寬度恒定通過改變開關頻率來改變占空比,由于當遇到某個特殊頻率下的機械諧振時,常導致系統的震動和嘯叫聲,因此在直流電機的控制中以PWM控制方式為主。
2.控制系統硬件設計
基于80C196KC和L298N的直流電機調速系統由單片機最小系統、R/D變換器、PWM功放電路、A/D和D/A轉換電路、接收指令接口電路等組成。單片機最小系統采用16位單片機80C196KC外擴接口電路,主要用來實現數據采集、PWM信號產生等功能,調速系統組成原理框圖見2。

圖2 PWM調速系統組成框圖
2.1功率集成電路L298N簡介
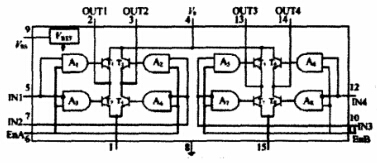
為提高系統效率,降低功耗,功放驅動電路采用基于雙極型H橋型脈寬調制方式的集成電路L298N。L298N是由SGS公司生產的高性能脈寬調制功率放大器,具有體積小、驅動能力強等特點。內部包含兩個H橋高電壓大電流橋式驅動器,單片即可實現電機全橋驅動,可驅動46V,2A以下的電機。L298N的內部結構如圖3所示。

圖3 L298N內部結構框圖
2.2直流電機控制系統硬件電路
L298N可以驅動兩臺直流電機,因該調速系統為單軸結構,為充分利用該功放電路的帶負載能力,以使系統以最大加速度啟動,并以最大加速度制動,設計時分別將輸入和輸出兩兩并聯使用控制直流電機。如圖4所示,輸入端IN1、IN3并聯,IN2、IN4并聯,輸出端OUT1、OUT3并聯,OUT2、OUT4并聯分別接至電機兩端,使能端由單片機高速輸出口HSO1控制。
單片機80C196KC根據位置環和速度環運算結果給出PWM信號,PWM信號一路直接輸出至IN1(IN3)端,一路經過7406取反輸出至IN2(IN4),當PWM模擬信號占空比為50%時,電機兩端正反向電壓所加時間相同,電機在此位置處于微顫狀態,即處于“動力潤滑”狀態,當占空比大于50%時,信號電壓OUTA大于OUTB,電機正轉,反之則反轉。因此必須理順各環節的輸出極性,才能形成負反饋,完成閉環控制。依靠改變PWM占空比控制電機轉速的同時也可以改變電機轉向,控制方法簡單可靠。此外,因為電機是電圈式的,在電機出現急停和突然換向時會形成反向電動勢,為保證L298N驅動芯片的正常工作,在輸出端OUTA、OUTB與直流電機之間加入兩對續流二極管將電流分流到電源正極或地端,以免反向電動勢對L298N產生損害。
2.3抗干擾及電磁兼容性設計
電機驅動時,功率主開關元件的快速通斷導致功率電流和電壓變化率較大,不僅影響驅動電路而且還會通過電源、地進入控制電路。此外,電機啟動制動時在負載突變處產生瞬變電壓,其振幅也會高于電源電壓,而且前沿陡峭、頻帶很寬,經由直流電源進入控制電路。因此,抗干擾及電磁兼容設計也至關重要。系統采取了電流平波、去毛刺、屏蔽等措施。
電流平波:由于PWM開關瞬間能量比較大,因此在PWM功放輸出端采用RC濾波器來濾波,通過選擇合適的電阻和電容值,有效地抑制了高頻諧波,吸收了PWM功放尖峰電壓,減小了干擾;
去毛刺:系統在電源端加大濾波電容,一大一小兩個電容并聯使用,大電容肩負低頻交變信號的去耦、濾波、平滑作用,小電容消除電路網絡中的中、高頻寄生耦合,有效減小了尖峰毛刺;
屏蔽:電機驅動線纜采取雙屏蔽電纜,走線盡可能與其他線纜分開。

圖4 驅動硬件電路圖
3.控制系統軟件實現
控制系統采用速度-位置閉環的組合方式,以位置控制方式為例介紹軟件的實現方法,位置控制在經典PI控制算法的基礎上,對比例和積分參數進行簡化設計,并引入了分段PI控制,即把計算出的誤差進行分段,在每一段誤差范圍內依靠不同的比例和積分參數參與調節。保證了系統運轉更加平滑穩定,PI公式推倒及簡化過程如下:
具體軟件實現流程圖如圖5所示,即接收到給定角度指令后,首先計算采樣到的位置信息與給定角度差值,然后把差值進行n等分,在每一段對應一組參數kp1和ki1參與調解控制,計算出PI控制的輸出量然后轉換成對應的PWM數值輸出。

圖5 軟件流程圖
結束語
本文總計了基于80C196KC與L298N的直流電機PWM控制系統設計方案,由單片機產生PWM信號給功率集成電路L298N,采用經典的PI分段控制實現對電機的控制,其具有電路簡單,控制方便等特點。運行試驗結果表明,系統工作穩定可靠,滿足調速功能要求,已成功應用在多個機載產品中。
電話:18923864027(同微信)
QQ:709211280
〈烜芯微/XXW〉專業制造二極管,三極管,MOS管,橋堆等,20年,工廠直銷省20%,上萬家電路電器生產企業選用,專業的工程師幫您穩定好每一批產品,如果您有遇到什么需要幫助解決的,可以直接聯系下方的聯系號碼或加QQ/微信,由我們的銷售經理給您精準的報價以及產品介紹

