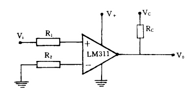
LM311是一種常用的線性比較器,它廣泛應用于比較及整形電路中,見圖1,但LM311在應用中卻經常出現意想不到的問題,即其輸出的脈沖信號并不象理論分析那樣理想,而是在輸出的脈沖前后沿附近出現高頻振蕩,見圖2 、圖3 ,當LM311的輸入信號Vi幅度越小,頻率越低,則高頻振蕩越嚴重。這種含有高頻振蕩的波形是不能直接使用的,它會給后續電路,如測頻,帶來誤動作,因此,這種情況必須引起注意,設法避免或消除高頻振蕩。下面將對產生振蕩的原因作扼要的分析,同時在實驗的基礎上提出幾種有效地避免消除振蕩的方法。

圖1 LM311電路圖

圖2 輸出脈沖前的高頻振蕩.jpg

圖3 輸出脈沖后的高頻振蕩
當一個高速比較器被用于高速輸入信號和低源阻抗輸入信號時,正常的輸出響應,應該是快速和穩定的,然而當輸入的信號是緩變信號或高阻信號源(1.0KΩ一10KΩ),比較器可能會在比較閥值點猝然振蕩,這是由于比較器的高增益和寬帶造成的,干擾的存在也是造成這種振蕩的直接原因之一。在應用中,要避免這種振蕩和不穩定,應預先仔細考慮,統籌安排,以下將提出幾種避免和克服振蕩的有效方法
1.合理選擇元件
合理安排結構振蕩的產生與結構的安排有很大關系。輸出信號最好遠離輸入端管腳,也應遠離兩平衡端管腳,因為反饋信號感應或觸及任何管腳幾乎都可能引起振蕩。若比較器在輸入端使用電阻時,其位置和阻值是值得考慮的。電阻應安放在管座的附近,一般阻值應小于10 K (甚至更小) ,使用時可參閱相應的手冊。正負電源應加0 .1μ的濾波電容,濾除電源的干擾,并且將電容放在管腳 附近。兩平衡端應做適當處理,不用時可將它們短接在一起,具體使用時可參閱有關手冊。
2.增大輸入信號的幅度
輸入信號幅度的大小與產生振蕩有直接關系。實驗表明:信號幅度越小,頻率越低產生振蕩的可能性就越大。下面將對以上的結論做簡單的分析。若有一過零比較器,其輸入信號為Vi=V0sinω0t信號在t=0點的斜率為:

在△t 時間內電壓的變化量為:△Vi= K·△t=V0sinω0t ,由此可見,△Vi與V0,ω0成 正比,即輸入信號的幅度越大,信號的頻率越高,則在△t 時間內,V 的幅度變化量就越長,當dvi/dt足夠大時 ,輸入信號就會迅速越過比較門限,從而達到消除振蕩的目的。由于比較器的輸入電壓范圍一般都比較寬(如 : LM311的電壓輸入范圍為士30V),因此,這種方法是最簡易可行的。實驗證明,只要輸入信號的幅度大于0.7V,本設計能在10Hz ~ 60KHz的范圍內可靠工作,繼續加大電壓幅度,工作的范圍可向低頻端延深。
3.在比較器的輸出端加濾波電器
在比較器的輸出端上拉電阻兩端并接一個容量適當的電容,對濾除和減弱振蕩有顯著效果。電容的容量應在實驗的基礎上確定,電容的容量不宜太大,否則會使輸出脈沖的前沿變壞,實驗中發現:這種負作用,在頻率較高時,表現得尤為嚴重,甚至會使脈沖幅度變小,使后級的計數器不能工作,情形見圖4 。因此這種方法在應用中有一定的局限性,合理選擇電容是應用這種方法的關 鍵。當然變壞的前沿可由具有整形作用的74LS14 來重新恢復,這種作法的負作用是使原來的脈沖前沿向后偏移,本設計中取電容C=0.01μ,在系統要求的范圍內,電路能可靠工作上拉電阻的值也不 能太大,本設計取R=510Ω。

圖4 頻率較高時的脈沖幅度
4.采用滯后技術
在比較電路中,當輸入信號達到比較電平時,比較器應立即翻轉,但若被測信號疊加一定的干擾時,可能使比較器在比較電平附近產生振蕩,出現下圖的情形(圖5、圖6)。

圖5 普通的過零比較器的輸出

圖6 采用滯后技術的輸出
克服比較器振蕩的有效方法是采用滯后技術,即在其同相端加入少量的正反饋,滯后比較器的比較電平不再是單一的電平,而是具有原比較電平附近的兩個電平,對圖7的電路而言,上比較電平用V+H表示,下比較電平用V+L表示 。


圖7 具有兩個電平的電路
滯后電壓可由R1 , R2調節,只要△V 選擇合適,就可消除比較電路的振蕩現象。從而大大提高了抗干擾能力,但滯后電平△V 的存在,會使檢測靈敏度變差。故此,△V 不宜取得過大,通常R 1≤R2,對于LM311比較器,加入3mv的滯后量,就會消除電路中的振蕩 。
總之,LM311在應用中出現的問題原因是多樣的,因此,在使用時,必須仔細考慮,分別對待,只有這樣,在使用它時,我們才會得心應手 。
電話:18923864027(同微信)
QQ:709211280
〈烜芯微/XXW〉專業制造二極管,三極管,MOS管,橋堆等,20年,工廠直銷省20%,上萬家電路電器生產企業選用,專業的工程師幫您穩定好每一批產品,如果您有遇到什么需要幫助解決的,可以直接聯系下方的聯系號碼或加QQ/微信,由我們的銷售經理給您精準的報價以及產品介紹

