為了更快速有效地連接模擬和數字世界以利用物聯網(IoT),忽略電壓基準的關鍵作用是容易但不明智的。模數(ADC)和數模(DAC)轉換器用作“判斷”模擬輸入和輸出值的主要標準,有助于確保準確的信號和數據轉換,但僅限于此適當選擇并正確應用。
本文將簡要介紹電壓基準的結構和特性,并描述如何選擇電壓基準。舉例來說,它將引入ADI公司 ADR43x系列的電壓基準,以說明設計人員可利用的各種特性,增強功能和特性,以充分利用現代電壓基準。在此過程中,它將展示如何應用ADR43x器件,使其保持在可接受的限制范圍內,以使ADC,DAC和整個系統充分發揮其潛力。
電壓參考的關鍵作用
在基本形式中,電壓基準是一個三端子器件,帶有電源軌,接地(公共)和精密輸出電壓連接(圖1)。不適合該任務或未正確應用的參考將是不準確的,并且將損害轉換器輸出的有效性和可信度。


一旦設計人員在標稱輸出電壓,精度和容差以及其他參數方面選擇了合適的參考,則挑戰在于使用該參考,使指定的性能完全滿足應用要求,并且器件的性能是不妥協。這一點的重要性不容小覷。如上所述,電壓參考是ADC在將數字化電壓時判斷模擬輸入電壓的主要標準。在DAC的情況下,穩定可靠的電壓基準允許轉換器產生對應于輸入數字代碼的精確模擬輸出電壓。
選擇參考
三個技術最常用于固態引用:埋齊納二極管,使用晶體管V帶隙的方法是,XFET ®配置,它有兩個結場效應晶體管串聯工作。
雖然電壓參考設計人員可能會討論每種方法的細微之處和屬性(有充分理由),但對于大多數電壓參考用戶而言,重點在于性能,權衡,應用和成本問題。這是這里采取的觀點。
由于所使用技術的基礎器件物理特性,電壓基準的內部核心基準可能處于“笨拙”值,而電壓基準設計有內部電路,以確保其輸出電壓與轉換器分辨率匹配良好。以及系統需求。
例如,許多參考作為一系列相同的設備提供,可選擇輸出值,例如2.048,2.5,3.0,4.096和5.0伏。2.048伏和4.096伏的版本很方便,因為它們“均勻”地映射到轉換器分辨率; 例如,使用4.096伏參考的12位轉換器的標稱比例為1毫伏(mV)/轉換計數。
初始參考精度以百分比或毫伏為單位指定,精度可能會有很大差異,因為某些應用需要比其他應用更高的精度。通常,更高的準確度更難以實現和維護; 典型的參考規格是在所有條件下的±0.1%的最大誤差。然而,底層拓撲和工藝技術的進步使得該規范得以改進。例如,4.096伏ADR434基準電壓源采用XFET方法,初始精度為±5 mV(A后綴)或±1.5 mV(B后綴)。
然而,有許多應用的絕對精度是參考穩定性和長期一致性的次要因素。原因可能是隨后可以校正數字化數據,或者絕對精度不如比較結果及其變化那么重要,這兩者都是參考穩定性的函數。因此,參考的選擇必須評估需要多少絕對精度與需要多少穩定性以及如何保持穩定性。
這種穩定性因素具有重要的考慮因素。是短期使用,例如在短暫實驗期間獲取數據的情況?或者是長期數據采集超過一年還是更長時間?這些是設計師必須提前為每個項目回答的問題。
外部參考與內部參考
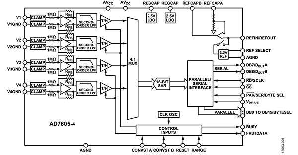
還有一個更基本的問題:你甚至需要一個獨立的外部參考嗎?AD7605-4BSTZ ADC 等轉換器帶有內部參考電壓,可節省電路板空間和物料清單(BOM)(圖2)。此外,數據手冊可以提供完全表征的ADC讀取精度的規范,因為參考的性能成為轉換器IC整體性能的一部分。


但是,即使轉換器內核適用,內部基準也可能無法提供所需的性能,因此大多數轉換器都具有外部基準的連接。請注意,高度專用且成本敏感的轉換器(例如低端音頻通道的轉換器)可能具有符合目標標準的內部轉換器,因此不需要外部參考。盡管如此,假設任何外部參考自動提供比內部參考更好的結果是簡單的,因為內部參考的性能可能與其相關轉換器的規格相當。
考慮使用外部參考電壓還有另一個原因,即使內部參考電壓足夠。在不僅僅有一個轉換器IC的設計中,各個內部參考可能不同或彼此不相同。由于參考文獻的差異,它們的結果數據將存在不一致性,這會使數據難以與無法解決的無法解決的錯誤相關聯。
因此,對于具有多個轉換器的高性能系統,通常最好使用單個共享外部參考。然而,這樣做引起了對參考“驅動”多個轉換器而不降低其基本性能的能力的擔憂,這是下面討論的考慮因素。
維護參考的性能
除初始精度和公差規范外,參考文獻還必須解決一些問題,以確保性能保持在可接受的范圍內。這些問題包括:
布局問題,包括電壓降和噪聲
輸出驅動(源/接收器),負載緩沖和瞬態性能
短期穩定性和溫度相關的漂移
由于老化,物理壓力和包裝導致的長期漂移
1.布局問題,包括電壓降和噪聲:與任何敏感的模擬信號一樣,即使是提供靜態電壓的信號,參考輸出和轉換器之間也可能存在過大的電流阻抗(IR)電壓降。雖然大多數參考負載低至幾十毫安(mA),但即使通過100毫歐(mΩ)的10 mA的適度負載也會導致1 mV的電壓降,這可能會給預算帶來很大的誤差。
ADR43x系列電壓基準通過在開爾文連接配置中將外部運算放大器(運算放大器)的強制環路中的布線電阻包括在內來克服了這一問題(圖3)。放大器檢測負載電壓,因此運算放大器的環路控制強制輸出補償接線錯誤,從而在負載產生正確的電壓。


由于負載噪聲,接地(公共)噪聲以及來自不充分去耦的電源軌的噪聲拾取,外部噪聲也會影響轉換器上的參考電壓。此外,參考還具有低頻(0.1赫茲(Hz)至10.0Hz)和必須評估的高頻(10Hz至25千赫茲(kHz))內部噪聲。高性能基準電壓源(如ADR43x系列中的基準電壓源)具有低于3.5微伏(μV)峰峰值(pp)和高頻噪聲的低頻噪聲。
顯示了ADR431BRZ-REEL7的噪聲密度譜(圖4)。對于不同的容性負載,它相對平坦到大約1 kHz,然后開始上升; 對于零容性負載,它保持平坦。


降低噪聲的最常用策略是添加一個簡單的電阻 - 電容(RC)濾波器。然而,許多參考文獻的輸出放大器可能變得不穩定并且在大容性負載下振蕩,因此除非參考設計用于輸出,否則不能選擇將幾微法(μF)的較大電容連接到輸出。對于ADR43x器件,如果高頻噪聲仍然超出要求,則可以使用簡單的RC濾波器補充基準電壓源的基本連接(圖5)。


請注意,ADR43x每個引腳都提供一個外部引腳,可以訪問內部補償節點,允許在關鍵電路點添加外部串聯RC網絡(圖6)。


添加RC電路允許用戶“過度補償”內部運算放大器并避免不穩定。用戶可以選擇電容值,以達到可接受的低噪聲水平與頻率的關系(圖7)。


2.輸出驅動(源/接收器),負載緩沖和瞬態性能:大多數基準電壓源都是內部緩沖的,可以提供和吸收高達5或10 mA的電流。如果所需的負載電流大于參考的源/吸收額定值,則需要外部緩沖器(通常為單位增益)。然而,緩沖器可能不是所希望的,因為其缺陷(不精確,漂移)的潛在影響可能會使參考超出系統規范。
在許多情況下,ADR43x系列不需要外部電流升壓緩沖器,因為它具有相對較高的+30 mA電源和-20 mA灌電流額定值。
此外,參考上的負載不一定是恒定的,但可能隨著ADC(或DAC)內部切換而變化。如果轉換器上的外部參考輸入被緩沖,這不是問題; 如果不是,則必須檢查參考的瞬態性能。在某些情況下,參考和轉換器之間需要一個外部緩沖器,以便在瞬態負載下提供驅動; 再次,緩沖區的性能必須考慮到系統錯誤分析中。
3.短期穩定性和與溫度相關的漂移:由于有源電路穩定的時間和芯片上的熱梯度穩定,參考輸出將漂移。大多數基準電壓源的導通建立時間通常取決于負載電容,但負載電容對負載較小的ADR431的影響最小(圖8和圖9)。



數據手冊規定了定義溫度下的參考精度,通常與開啟值不同。由溫度變化引起的輸出變化很容易超過系統精度要求,因此需要具有適當低漂移規格的參考。ADR43x系列的額定工作溫度范圍為-40°C至+ 125°C; 對于ADR434A(4.096伏,±5 mV初始精度),該系數為百萬分之10(ppm)/°C,而該系列的其他成員的值低至3 ppm /°C。
4.由于老化,物理壓力和包裝造成的長期漂移:漂移往往是參考不準確的重要原因??紤]一個需要電壓基準的應用,在±0.1%的溫度范圍內具有總精度。設計人員可選擇高性能參考,初始精度為±0.05%,溫度系數極低,為±5 ppm /°C。
在25°C和125°C之間,由溫度系數引起的漂移將為5 ppm /°C×100°C,或500 ppm(0.05%),因此總誤差(初始誤差+漂移誤差)將滿足要求±0.1%。一些高端應用將參考放置在溫度控制的烤箱中,類似于用于溫度穩定的頻率設定晶體和時鐘的烤箱,但這對于大多數情況來說是不可取或不實用的。
隨著參考精度的提高,其基本長期漂移(LTD)成為維持該精度的更大因素。對于設計工程師來說,LTD提出了一個特殊的挑戰,因為它也是生產程序和產品使用模式的一個功能,而不僅僅是設計的徹底性和相關的組件選擇。在電路板裝配期間發生的封裝上的應力是LTD的主要原因。由于暴露在電路板焊接過程的高溫下,塑料封裝的IC會稍微改變形狀,這種應力引起的尺寸變化會給電壓參考芯片帶來壓力。
結果是電壓參考的輸出隨著這些機械的,與裝配相關的應力消退并在數小時,數天甚至數周內恢復正常而改變。變化量取決于布局,器件封裝和其他因素,并且通常在數十ppm的量級。此外,當器件在一年的時間內老化時,參考的芯片和封裝關系甚至會“穩定”,因此一些參考文獻指定在更長的時間段內漂移。
大多數參考數據表提供LTD規格作為運行前1000小時后的典型漂移; ADR43x系列數據手冊規定了40 ppm(典型值)的1000小時LTD,但也注意到后續1000小時內的漂移明顯低于前1000小時內的漂移。
這種應力引起的漂移的一個解決方案是在幾小時內使板熱循環幾次,因為這將加速內應力的緩解。另一種解決方案是考慮在陶瓷封裝中使用電壓基準,因為它們通常比塑料封裝更穩定并且具有比塑料封裝更低的彎曲水平。但是,陶瓷封裝中沒有許多參考文獻; 但這可能不是問題,因為最新一代的塑料參考提供的LTD性能幾乎與陶瓷封裝器件一樣好。
最后,設計人員不能忽視其自身電源軌上瞬態電壓參考的影響; 畢竟,參考是一種專門的“電源”在很多方面。因此,負載變化不僅可能影響輸出精度,而且穩定和干凈的直流(DC)輸入線是保持指定性能的另一個因素。也就是說,精心設計的電壓基準將嚴格調節功率輸入。所述ADR431指定行規ΔV OUT /ΔV IN在7至18伏的輸入電壓范圍內(圖10)5毫伏/ ppm的(典型)和20毫伏/ ppm的(最大)的。


結論
無論是ADC或DAC的內部還是分立的外部元件,電壓基準都是使用數據轉換器的任何系統的關鍵組成部分?;揪?,漂移和其他參數的改進轉化為系統級性能改進。
如圖所示,設計人員可以在拓撲和工藝方面提供各種電壓參考特性和增強功能。除了增加的功能,以確保在各種靜態和動態操作條件下的準確性和一致的性能,看似簡單的電壓參考有很多設計師尋找滿足嚴格設計要求的選項。
烜芯微專業制造二極管,三極管,MOS管,橋堆等20年,工廠直銷省20%,4000家電路電器生產企業選用,專業的工程師幫您穩定好每一批產品,如果您有遇到什么需要幫助解決的,可以點擊右邊的工程師,或者點擊銷售經理給您精準的報價以及產品介紹
烜芯微專業制造二極管,三極管,MOS管,橋堆等20年,工廠直銷省20%,4000家電路電器生產企業選用,專業的工程師幫您穩定好每一批產品,如果您有遇到什么需要幫助解決的,可以點擊右邊的工程師,或者點擊銷售經理給您精準的報價以及產品介紹

