CMOS接口電路
光電耦合器(opticalcoupler,英文縮寫為OC)亦稱光耦合器,簡稱光耦。光耦合器以光為媒介傳輸電信號。它對輸入、輸出電信號有良好的隔離作用,所以,它在各種電路中得到廣泛的應用。目前它已成為種類最多、用途最廣的光電器件之一。光耦合器一般由三部分組成:光的發射、光的接收及信號放大。輸入的電信號驅動發光二極管(LED),使之發出一定波長的光,被光探測器接收而產生光電流,再經過進一步放大后輸出。這就完成了電-光-電的轉換,從而起到輸入、輸出、隔離的作用。由于光耦合器輸入輸出間互相隔離,電信號傳輸具有單向性等特點,因而具有良好的電絕緣能力和抗干擾能力。又由于光耦合器的輸入端屬于電流型工作的低阻元件,因而具有很強的共模抑制能力。
所以,它在長線傳輸信息中作為終端隔離元件可以大大提高信噪比。在計算機數字通信及實時控制中作為信號隔離的接口器件,可以大大增加計算機工作的可靠性。光耦合器的主要優點是:信號單向傳輸,輸入端與輸出端完全實現了電氣隔離隔離,輸出信號對輸入端無影響,抗干擾能力強,工作穩定,無觸點,使用壽命長,傳輸效率高。光耦合器是70年代發展起來產新型器件,現已廣泛用于電氣絕緣、電平轉換、級間耦合、驅動電路、開關電路、斬波器、多諧振蕩器、信號隔離、級間隔離、脈沖放大電路、數字儀表、遠距離信號傳輸、脈沖放大、固態繼電器(SSR)、儀器儀表、通信設備及微機接口中。在單片開關電源中,利用線性光耦合器可構成光耦反饋電路,通過調節控制端電流來改變占空比,達到精密穩壓目的。


CMOS與開關放大器的接口電路
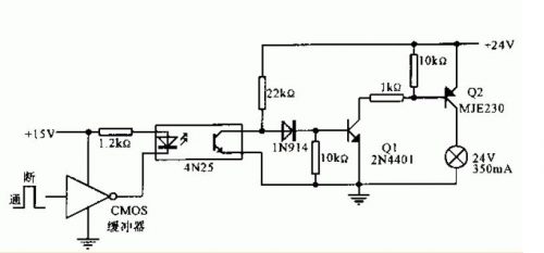
假如CMOS電路的負載(執行元件)是繼電器,則電路必需具有較大的帶負載才能。圖7-6所示為非門驅動一個分立元件的開關放大器件的接口電路。
圖7-6(a)、(b)中三極管的集電極負載為繼電器KA線圈。其工作電流為lOOmA。若晶體管的β=25,則需求4mA的基極電流。這對與非門來說是個拉電流負載。如與非門不能提供這樣大的拉電流,可采用圖7-6(b)所示的電路。由電阻Ri、二極管VD1和穩壓管Vs組成變換電路。當與非門輸出高電平常,VD1截止。VS擊穿,晶體管VT的基極電流由+15V電源經R1、VS和V1的發射結來提供,VT導通,繼電器KA吸合。當與非門輸出低電1平常,灌電流經+15V電源經R1、VDi流入與非門,這個電流只要幾毫安,這樣可防止岡拉電流過大而惹起輸出高電平的降落。這時VS截止,VT截止,KA釋放。


在圖7—6(a)所示電路中,R2普通可取4.7~10kΩ,簡化時也可不用。R1的選取應使晶體管取得足夠的基極電流而到達飽和。設繼電器KA的工作電流為Ic=50mA,晶體管的β=30,而普通CMOS輸出高電平Uoh=2.7~4.2V,則


式中Ube一——管的正向壓降,普通取o.65-0.75V。
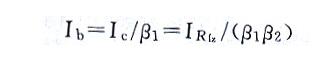
關于圖7-6(c)所示電路,由三極管VT1,VT2組成達林頓電路。其放大倍數β=β1β2(β1、β2分別為VT1和VT2的放大倍數),VT1所需求的基極電流為


電阻R1、R2可按下式選?。?br />

烜芯微專業制造二極管,三極管,MOS管,橋堆等20年,工廠直銷省20%,4000家電路電器生產企業選用,專業的工程師幫您穩定好每一批產品,如果您有遇到什么需要幫助解決的,可以點擊右邊的工程師,或者點擊銷售經理給您精準的報價以及產品介紹

烜芯微專業制造二極管,三極管,MOS管,橋堆等20年,工廠直銷省20%,4000家電路電器生產企業選用,專業的工程師幫您穩定好每一批產品,如果您有遇到什么需要幫助解決的,可以點擊右邊的工程師,或者點擊銷售經理給您精準的報價以及產品介紹

