1.概述
電源的輸入部分,為了防止誤操作,將電源的正負極接反,對電路造成損壞,一般會對其進行防護,如采用保險絲,二極管,MOS管等方式。
2、防反接
2.1 二極管防反接

采用二極管進行保護,電路簡單,成本低,占用空間小。但是二極管的PN結在導通時,存在一個 <=>
2.2 保險絲防護
很多常見的電子產品,拆開之后都可以看到電源部分加了保險絲,在電源接反,電路中存在短路的時候由于大電流,進而將保險絲熔斷,起到保護電路的作用,但這種方式修理更換比較麻煩。
2.3 MOS管防護
MOS管因工藝提升,自身性質等因素,其導通內阻技校,很多都是毫歐級,甚至更小,這樣對電路的壓降,功耗造成的損失特別小,甚至可以忽略不計,所以選擇MOS管對電路進行保護是比較推薦的方式。
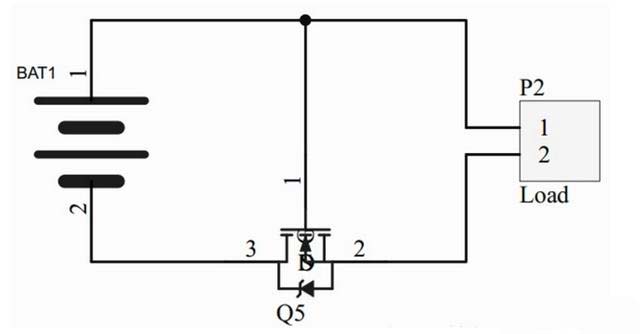
2.3.1 NMOS防護
如下圖:上電瞬間,MOS管的寄生二極管導通,系統形成回路,源極S的電位大約為0.6V,而柵極G的電位為Vbat,MOS管的開啟電壓極為:Ugs = Vbat - Vs,柵極表現為高電平,NMOS的ds導通,寄生二極管被短路,系統通過NMOS的ds接入形成回路。

若電源接反,NMOS的導通電壓為0,NMOS截止,寄生二極管反接,電路是斷開的,從而形成保護。
2.3.2 PMOS防護
如下圖:上電瞬間,MOS管的寄生二極管導通,系統形成回路,源極S的電位大約為Vbat-0.6V,而柵極G的電位為0,MOS管的開啟電壓極為:Ugs = 0 -(Vbat-0.6),柵極表現為低電平,PMOS的ds導通,寄生二極管被短路,系統通過PMOS的ds接入形成回路。

若電源接反,NMOS的導通電壓大于0,PMOS截止,寄生二極管反接,電路是斷開的,從而形成保護。
注:NMOS管將ds串到負極,PMOS管ds串到正極,寄生二極管方向朝向正確連接的電流方向;
MOS管的D極和S極的接入:通常使用N溝道的MOS管時,一般是電流由D極進入而從S極流出,PMOS則S進D出,應用在這個電路中時則正好相反,通過寄生二極管的導通來滿足MOS管導通的電壓條件。MOS管只要在G和S極之間建立一個合適的電壓就會完全導通。導通之后D和S之間就像是一個開關閉合了,電流是從D到S或S到D都一樣的電阻。
實際應用中,G極一般串接一個電阻,為了防止MOS管被擊穿,也可以加上穩壓二極管。并聯在分壓電阻上的電容,有一個軟啟動的作用。在電流開始流過的瞬間,電容充電,G極的電壓逐步建立起來。

對于PMOS,相比NOMS導通需要Vgs大于閾值電壓,由于其開啟電壓可以為0,DS之間的壓差不大,比NMOS更具有優勢。
USB與電池切換設計:
當USB供電時,PMOS截止,通過二極管輸入系統;當電池供電時,PMOS導通,下拉電阻的作用是將柵極電位穩定的拉低,確保PMOS正常開啟,防止柵極高阻抗帶來的隱患。

通過MCU的IO控制輸入—>輸出:
R3確保柵極電流不至于太大,R2上拉,截止PMOS,IO輸出控制時,穩定為低,開啟PMOS。
烜芯微專業制造二極管,三極管,MOS管,橋堆等,20年,工廠直銷省20%,1500家電路電器生產企業選用,專業的工程師幫您穩定好每一批產品,如果您有遇到什么需要幫助解決的,可以直接聯系上方的聯系號碼或加QQ,由我們的銷售經理給您精準的報價以及產品介紹

