(一)穩壓二極管工作原理
穩壓二極管的作用:
穩壓二極管也叫穩壓管,它在電路中一般起到穩定電壓的作用,也可以為電路提供基準電壓值。
穩壓二極管的工作原理:
穩壓二極管使用特殊工藝制造,這種工藝使它在反向擊穿時仍然可以長時間穩定工作,不損壞,而工作在反向擊穿狀態的穩壓管只要工作電流保持在一定范圍,則它兩端電壓波動的范圍就很小,穩壓管正是利用這個特性實現穩壓的。


圖1是穩壓管伏安特性曲線,在正常穩壓工作狀態下,穩壓管就工作在圖中AB這段區間。
(二)穩壓二極管重要參數意義
穩壓二極管重要參數:
1,穩定電壓
穩定電壓是指標稱穩定電壓,理想穩壓管的穩壓值是一個固定的電壓數值,但實際真實穩壓管的穩定電壓會在一定范圍波動,有些型號的穩壓管應用手冊中會給出標稱穩定電壓值,最小穩定電壓值和最大穩定電壓值,但也有些手冊中只給出標稱穩定電壓值。


圖2所示是穩壓管1N4733A-G的應用手冊中給出的穩定電壓值。
2,最大耗散功率
最大耗散功率是指可以穩定工作的最大功率值,在工作電路中穩壓管的功率不應超過這個值。


圖3所示是穩壓管1N47XXA-G的應用手冊中給出的最大耗散功率值。
3,額定工作電流(IZT)
額定工作電流是指穩壓管可以長時間穩定工作,并且穩壓性能最好時對應的工作電流值。


圖4所示是穩壓管1N4733A-G的應用手冊中給出的額定工作電流。
4,最小穩定工作電流
最小穩定工作電流是指可以使穩壓管具有穩壓功能的最小工作電流,如果穩壓管電流小于這個值,會進入反向截止區,在反向截止區穩壓管是沒有穩壓功能的。


圖5所示是穩壓管1N4733A-G的應用手冊中給出的最小穩定工作電流,1毫安。
5,最大穩定工作電流
最大穩定工作電流是指可以使穩壓管具有穩壓功能的最大工作電流,如果超過這個電流,會導致穩壓管損壞。有些穩壓管的應用手冊中并沒有給出最大穩定工作電流,這是因為這個參數可以由標稱穩定電壓和最大耗散功率兩個參數得出。
6,動態電阻
穩壓管的動態電阻等于電壓變化與電流變化的比值。動態電阻越小穩壓效果越好,這是因為動態電阻小,則相同電流變化引起的電壓變化就越小,所以電壓就越穩定。從穩壓管的反向伏安特性可以看出,穩壓管的工作電流越接近最大穩定工作電流則動態電阻越小,越接近最小工作電流則動態電阻越大。所以穩壓管工作電流接近最大穩定工作電流時穩壓效果才好。


圖6所示是穩壓管1N4733A-G的應用手冊中給出的動態電阻。
(三)穩壓二極管穩壓原理的定性分析
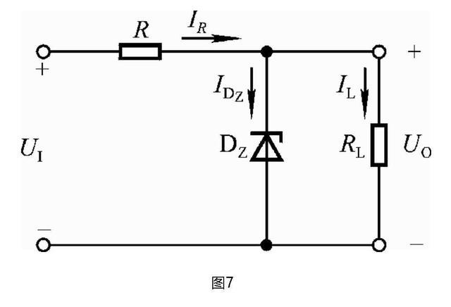
穩壓管在電路應用中一般要串聯一個限流電阻,用來保護穩壓管,避免工作電流過大導致損壞,另外通過選定合理的限流電阻值,也可以避免穩壓管工作電流過小而進入反向截止區,失去穩壓效果。所以說這個限流電阻R即起到保護作用,也起到設定合適工作電流的作用。下圖7是穩壓二極管的典型應用電路:


對于圖7中典型穩壓電路的穩壓過程我們先進行一下定性分析,從圖中我們容易看出,在限流電阻值固定的情況下,能影響到穩壓管工作電流的因素有兩個,一是輸入端電壓UI的波動,另一個是負載電阻RL大小的變化。現在我們假設一種情況:即輸入電壓UI不變,但負載電阻RL變小時是如何穩壓的。
由于負載電阻RL變小會直接導致負載通路的電流IR變大,所以流過限流電阻的電流IR會增大,導致限流電阻壓降增大,所以穩壓管兩端電壓(即負載電阻兩端電壓UO)變小,導致穩壓管電流IDZ減小,這又會引起限流電阻電流減小,所以限流電阻電壓當然也會隨之減小,最終導致穩壓管電壓又增大,即負載電阻兩端電壓增大。這個過程的核心是穩壓管端電壓變小導致穩壓電流減小,從而把穩壓管兩端電壓又重新推高。具體變化過程如下圖8所示:


另外,如果假設負載電阻不變,而輸入電壓增大或減小,則穩壓過程的推導與上述類似,這里就不再贅述了。
(四)穩壓二極管典型電路限流電阻計算
下面我們針對這個典型穩壓電路的一組數據,計算限流電阻的阻值。具體參數如下:
電源電壓波動范圍:13~15V
負載電阻變化范圍:300~500Ω
穩壓管工作電流范圍:5~40ma
穩壓管工作電壓:6V
對于限流電阻的阻值我們首先要知道,它即不能過大,也不能過小,過大會導致穩壓管電流過大損壞,過小會導致穩壓管位于反向截止區而不能進入穩壓工作狀態。所以這個限流電阻就會存在一個上限值和一個下限值,導致穩壓管分別工作于最小和最大電流兩種極限狀態,這兩種狀態是由于電源電壓波動和負載電阻變化引起的,所以根據之前的定性分析,我們可以比較容易的分析出這兩種狀態的情況,如下表所示:
可以看到,在情況2的狀態下,當負載電阻值最大時,負載通路的電流相對最小,而此時電源電壓卻最大,這兩個因素共同作用于穩壓管上,導致穩壓管電流最大。這種情況就類似于下圖9中所示的水庫泄洪情況:


圖9中副閘門的作用是配合主閘門控制水位并在適當的時候保護主閘門,避免主閘門承受過大的水壓。當上游來水量增加時,如果同時主閘門把開口關到最小,這兩個條件同時發生時副閘門就會面臨水流最大的極限情況。這里水庫的模型與穩壓電路有如下對應關系:
主閘門 --> 負載電阻
副閘門 --> 穩壓管
上游水量增加 --> 電源電壓增加
主閘門開口關小 --> 負載電阻增加
副閘門水量最大 --> 穩壓管電流最大
從上述關系中,我們可以計算出當穩壓管工作電流最小時,輸入電壓最小,負載電流最大,此時對應的限流電阻值最大:


同理也很容易計算出限流電阻最小值為180Ω,我們可以取中間值220Ω的電阻(標準阻值中沒有230Ω的電阻)。
(五)總結
穩壓管在使用中要注意以下問題:
1, 穩壓管使用時要串聯一個限流電阻,用來保護穩壓管并設定其工作電流。
2, 實際穩壓管的穩定電壓值是一個范圍,同一批穩壓管的實際穩壓值可能會存在差異,但不會和標稱穩壓值差太多。
3, 穩壓管可以串聯使用,串聯有四種不同接法,不同接法的穩壓數值也各不相同。一般不并聯使用。
4, 為了使穩壓效果更穩定,需要使穩壓管工作在中度偏深的擊穿狀態,所以輸入的電壓值最好是2到3倍的穩定電壓值,即Uin=2~3(UZD
),比如如果要使電壓穩定在12伏,而輸入電壓是18伏,雖然可以穩壓,但是穩壓管處在淺度擊穿狀態,穩壓效果并不好。
5, 穩壓管工作狀態電流值不高,比如上述的1N47XXA系列最高也不到100ma,所以不適用于大功率的場合。
6, 穩壓管的穩定電壓有一定范圍,在要求高精度電壓的場合并不適用,這時可以使用專用的穩壓模塊代替。
烜芯微專業制造二極管,三極管,MOS管,橋堆等20年,工廠直銷省20%,4000家電路電器生產企業選用,專業的工程師幫您穩定好每一批產品,如果您有遇到什么需要幫助解決的,可以點擊右邊的工程師,或者點擊銷售經理給您精準的報價以及產品介紹
烜芯微專業制造二極管,三極管,MOS管,橋堆等20年,工廠直銷省20%,4000家電路電器生產企業選用,專業的工程師幫您穩定好每一批產品,如果您有遇到什么需要幫助解決的,可以點擊右邊的工程師,或者點擊銷售經理給您精準的報價以及產品介紹

