MOS管功耗,要確定一個MOSFET場效應管是否適于某一特定應用,需要對其功率耗散進行計算。耗散主要包括阻抗耗散和開關耗散:PDDEVICETOTAL=PDRESISTIVE+PDSWITCHING
mos管功耗-低功耗趨勢
封裝的小型化使封裝的熱阻降低,功率耗散才能進步,相同電壓電流規格或者功率規格的產品,個頭小的,功率耗散才能更高,這似乎與我們的生活常識有些相悖,但是事實確實如此。
VMOS的通態功耗,業界習氣于用飽和導通電阻RDS(ON)來權衡,這是不太客觀的,由于電流規格在很大水平上影響著RDS(ON)的數值,其內在緣由是VMOS管的管芯是由大量管芯單元(Cell)構成的,很顯然,其他條件相同的情況下,電流規格越小,RDS(ON)越大。
一個相對客觀的辦法是將管芯面積的要素思索進來,將管芯面積A與RDS(ON)相乘,得到一個名為“本征電阻”的參數以減少電流規格的影響(圖1.46)。本征電阻小,就意味著要么電流規格很高,要么適用的開關頻率很高。另一方面,管芯制程(芯片的設計與制造規程)的開展使管芯單元的密度逐步提高,也有利于管芯的小型化。在功率半導體方面,耗散功率會限制管芯制程的進一步減小,這方面還是滯后于小功率IC的。

除了通態功耗,開關功耗(開通與關斷期間的功耗)也是影響大功率VMOS的主要要素之一,特別是高頻應用,請求尤為迫切。而管芯單元密度的不時進步,會增加極間電容、散布電容以及柵電荷,這些要素既影響開關功耗,義影響開關速度,雖然如此,這依然是當前技術開展的主要方面。
在普通狀況下,我們很難從公開的技術材料中查閱到管芯的詳細大小,一個粗略的替代辦法是,能夠用產品技術手冊中給出RDS(ON)和丈量這一數值所采, 用的漏極電流相乘,我們權且稱這個數值為“歐安值”。用歐安值也能得到相似的結果,如圖1. 47所示。

這個圖形與圖1. 46最大的不同是,可以反映出開關速度存其中的限制因素,早期的高速產品,如2SK2313,同樣有比擬低的歐安值,但是它的封裝比擬大,而且電流規格偏低。
mos管功耗-MOS管驅動基礎和時間功耗計算
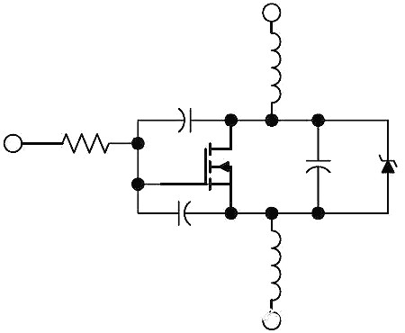
mos管功耗的驅動基礎和時間功耗計算詳解,我們先來看看MOS關模型:

Cgs:由源極和溝道區域重疊的電極形成的,其電容值是由實際區域的大小和在不同工作條件下保持恒定。
Cgd:是兩個不同作用的結果。第一JFET區域和門電極的重疊,第二是耗盡區電容(非線性)。等效的Cgd電容是一個Vds電壓的函數。
Cds:也是非線性的電容,它是體二極管的結電容,也是和電壓相關的。這些電容都是由Spec上面的Crss,Ciss和Coss決定的。
由于Cgd同時在輸入和輸出,因此等效值由于 Vds電壓要比原來大很多,這個稱為米勒效應。
由于SPEC上面的值按照特定的條件下測試得到的,我們在實際應用的時候需要修改Cgd的值。

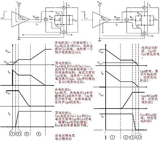
開啟和關斷的過程分析:

mos管功耗計算
MOSFET驅動器的功耗包含三部分:
1. 由于MOSFET柵極電容充電和放電產生的功耗。
與MOSFET柵極電容充電和放電有關。這部分功耗通常是最高的,特別在很低的開關頻率時。
2. 由于MOSFET 驅動器吸收靜態電流而產生的功耗。
高電平時和低電平時的靜態功耗。
3. MOSFET 驅動器交越導通(穿通)電流產生的功耗。
由于MOSFET 驅動器交越導通而產生的功耗,通常這也被稱為穿通。這是由于輸出驅動級的P溝道和N 溝道場效應管(FET)在其導通和截止狀態之間切換時同時導通而引起的。

烜芯微專業制造二極管,三極管,MOS管,橋堆等20年,工廠直銷省20%,4000家電路電器生產企業選用,專業的工程師幫您穩定好每一批產品,如果您有遇到什么需要幫助解決的,可以點擊右邊的工程師,或者點擊銷售經理給您精準的報價以及產品介紹

