所述二極管的工作,只有當它是在正向偏置,只有電流流過pn結二極管和負載兩端的輸出電流被發現。
如果兩個二極管以這樣的方式連接:一個二極管在輸入電壓的一半期間導通而另一個二極管在循環的下一半期間導通,則在沖擊電壓的整個循環期間單向二極管可以流過負載,這被稱為全波整流器。

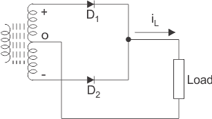
根據下面給出的圖表,中心抽頭變壓器 D 1和D 2是具有類似特性的兩個pn結二極管,D 1導通負輸出電壓的一半。因此,我們獲得整個輸入周期的輸出電壓和輸出電流。
全波二極管整流器電路圖
下面給出的全波二極管整流器的電路圖:

使用由四個二極管制成的橋式整流器也可以實現全波整流。

根據該圖,當D 1和D 3正向偏置時,它們導通但D 2和D 4以及D 1和D 3在兩種情況下都是相反方向的負載電流。
橋式整流器比簡單的全波整流器有幾個優點。它的性能和效率優于簡單的全時整流器。
輸入電壓和輸出電壓波形

現在,下面給出了全波整流器的不同參數:
負載電流的平均值(I dc):
讓,負載電流為I 大號 = I 中號 sinωt

全波整流器的紋波系數等于

烜芯微專業制造二極管,三極管,MOS管,橋堆20年,工廠直銷省20%,1500家電路電器生產企業選用,專業的工程師幫您穩定好每一批產品,如果您有遇到什么需要幫助解決的,可以點擊右邊的工程師,或者點擊銷售經理給您精準的報價以及產品介紹

