什么是MOS管
mos管是金屬(metal)、氧化物(oxide)、半導體(semiconductor)場效應晶體管,或者稱是金屬—絕緣體(insulator)、半導體。MOS管的source和drain是可以對調的,他們都是在P型backgate中形成的N型區。在多數情況下,這個兩個區是一樣的,即使兩端對調也不會影響器件的性能。這樣的器件被認為是對稱的。
TTL是什么
TTL連接線是用于相機與閃光燈離機專用的熱靴來相連接線,通常還會把它叫做閃光燈離機連接線、TTL線、快門連接線、離機連接線等等,有很多種叫法。
TTL電平的優點
TTL電平信號對于計算機處理器控制的設備內部的數據傳輸是很理想的,首先計算機處理器控制的設備內部的數據傳輸對于電源的要求不高以及熱損耗也較低,另外TTL電平信號直接與集成電路連接而不需要價格昂貴的線路驅動器以及接收器電路;再者,計算機處理器控制的設備內部的數據傳輸是在高速下進行的,而TTL接口的操作恰能滿足這個要求。TTL型通信大多數情況下,是采用并行數據傳輸方式,而并行數據傳輸對于超過10英尺的距離就不適合了。這是由于可靠性和成本兩面的原因。因為在并行接口中存在著偏相和不對稱的問題,這些問題對可靠性均有影響。
數字電路中,由TTL電子元器件組成電路使用的電平。電平是個電壓范圍,規定輸出高電平>2.4V,輸出低電平<0.4V。在室溫下,一般輸出高電平是3.5V,輸出低電平是0.2V。最小輸入高電平和低電平:輸入高電平>=2.0V,輸入低電平<=0.8V,噪聲容限是0.4V。
如何用ttl驅動mos管
工作頻率和驅動信號的占空比不是很大,并且VMOS的功率規格也不是很大時,普通并不需求為VMOS配置特地的驅動電路。通用的CMOS半導體(互補金屬氧化物品體管邏輯IC)、TTL(晶體管邏輯)集成電路、常見的PWM專用IC的輸出級都能夠直接驅動VMOS。這種驅動方式普通適用于驅動信號的產生及控制電路與VMOS構成的功率級電路共地的狀況。
TTL集成電路的邏輯電平為5V,輸出級通常由BJT(雙極性晶體管)組成,信號普通從集電極輸出,這就是常說的“集電極開路輸出”,當然,輸出級也有采用MOSFET的,這就是“開漏輸出”。上述開路輸出方式需求外部電路配置偏置電阻,以樹立工作點,限定輸出電流。

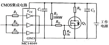
通用IC的峰值電流驅動才能通常都不會超越1A,這是限制其驅動才能的主要要素。圖中的上拉電阻R3決議了驅動才能的大小和性能。R4是柵極泄放電阻,作用是在柵極驅動信號沒有時疾速泄放掉輸入電容的電荷。R4越小越有利于VMOS的疾速關斷,但是義會增加控制電路的驅動擔負,普通而言,R4的取值不應該小于控制電路的輸出阻抗。
在驅動才能有限的條件下,為了減小引線寄生電感的影響,VMOS間隔控制電路越近越好。為了防止柵極電流對控制電路的影響,圖中的旁路( Bypass)電容也是引薦要采剛的,普通采用聚酣、CBB、瓷片等無極性電容,容量為0.1~lμF即可。
采用TTL集成電路驅動MOS另一個需求留意的問題是,工作電壓至少要高于VMOS的開啟電壓VGS(th),而且要保證圖中A點的驅動電壓高于開啟電壓。用CMOS來驅動根本上不需求思索這樣的問題,由于此類Ic能夠提供12V左右的信號電平。

TTL和CMOS集成電路自身能夠搭接成振蕩電路,產生方波等信號,因此,除了功用上沒有專用的PWM強大以外(通常的主要區別是維護電路),在簡單的應用中是很便當的。
圖5. 72中的TTL和CMOS電路符號畫成了(邏輯)門電路的方式。門電路輸出的波形十分規整,關于方波而言,就是十分“方”的波形,十分合適驅動開關電路廠作,只是功率輸出才能有限,普通稱之為“電平信號,常見的邏輯門電路符號如圖5.73所示,關于它們的概念,很容易找到相關的公開材料,也不是本書討論的主要內容,在此不再贅述。

專用的PWM集成電路針對詳細的應用增加了一些適用的功用,經典的型號莫過于UC3842,TL494了,它們當然也能夠直接驅動VMOS。這些IC的輸出級普通為“圖騰柱”電路,驅動才能更強,像TL494的輸出級,既可以提供圖騰柱輸出,也能夠提供集電極升路輸出。

圖騰柱屬于推挽電路,因而能夠主動對VMOS的柵極停止放電,這樣一來,柵極泄放電阻能夠省略,也能夠取比擬大的數值,以防萬一。假如IC內部的驅動才能缺乏,外部能夠增加擴流電路,常見的電路方式也是圖騰柱的電路。關于集電極開路輸出的IC,如TTL集成電路,外接擴流電路時,通常并不從集電極取信號,而是從發射極取信號,這樣—來,內部的集電極開路輸出級就變成了射極跟隨器,既降低了輸出阻抗,也有利于開關速度的進步。

擴流電路普通用來驅動大電流規格的VMOS,為了減小驅動控制電路與功率級電路之間的互相干擾,通常會采用各自獨立的電源。為了簡化圖線的相互穿插以有利于讀圖,地(也稱為參考點)和電源也會在恰當的中央分別畫出,這種畫法疏忽了連線的電阻以及阻抗,最初多見于歐美電路原理圖中。在實踐布線時,應該留意它們的影響。Q3、Q4既能夠采用通用的小功率晶體管,也能夠采用小功率互補對管,如FPQ6502等等。
TTL與CMOS管
1.CMOS是場效應管構成,TTL為雙極晶體管構成
2.CMOS的邏輯電平范圍比較大(3~15V),TTL只能在5V下工作
3.CMOS的高低電平之間相差比較大、抗干擾性強,TTL則相差小,抗干擾能力差
4.CMOS功耗很小,TTL功耗較大(1~5mA/門)
5.CMOS的工作頻率較TTL略低,但是高速CMOS速度與TTL差不多相當
烜芯微專業制造二極管,三極管,MOS管,20年,工廠直銷省20%,1500家電路電器生產企業選用,專業的工程師幫您穩定好每一批產品,如果您有遇到什么需要幫助解決的,可以點擊右邊的工程師,或者點擊銷售經理給您精準的報價以及產品介紹
烜芯微專業制造二極管,三極管,MOS管,20年,工廠直銷省20%,1500家電路電器生產企業選用,專業的工程師幫您穩定好每一批產品,如果您有遇到什么需要幫助解決的,可以點擊右邊的工程師,或者點擊銷售經理給您精準的報價以及產品介紹

