電壓互感器
電壓互感器和變壓器類似,是用來變換線路上的電壓的儀器。但是變壓器變換電壓的目的是為了輸送電能,因此容量很大,一般都是以千伏安或兆伏安為計算單位;而電壓互感器變換電壓的目的,主要是用來給測量儀表和繼電保護裝置供電,用來測量線路的電壓、功率和電能,或者用來在線路發生故障時保護線路中的貴重設備、電機和變壓器,因此電壓互感器的容量很小,一般都只有幾伏安、幾十伏安,最大也不超過一千伏安。

電壓互感器的作用
1、電壓互感器時隔離高電壓,供繼電保護、自動裝置和測量儀表獲取一次電壓信息的傳感器。把高電壓按比例關系變換成100V或100/3V標準二次電壓,供計量、儀表裝置和繼電保護使用。
2、同時使用電壓互感器可以將高電壓與電氣工作人員隔離,保證設備和人身安全的作用。
電壓互感器分類
1、按安裝地點可分:戶內式和戶外式。35kV及以下多為戶內式,35kV及以上多為戶外式,其絕緣有明顯差距。
2、按相數可分:單相式和三相式。10kV及以下采用三相式。
3、按繞組數可分:雙繞組、三繞組和四繞組。
4、按絕緣方式可分:干式、澆注式、油浸式和氣體式。
5、按工作原理可分為:電磁式、電容式和新型的光電式電壓互感器。
其中電磁式可分為:三相式和單相式;三相式又可分:三相兩柱式和兩相五柱式
電壓互感器結構
1、油浸式電壓互感器
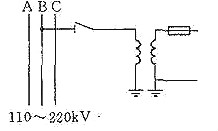
油浸式電壓互感器分為:單級式和串級式單級式,單級式可用于220kV及以下電壓等級,串級式可用于66kV及以上電壓的所有電壓等級。
單級式其一二次繞組繞在共同的鐵芯上,絕緣不分級,靠磁耦合實現能量轉換。
串級式由多個匝數相同的一次繞組裝在數量為繞組數一半的相同的鐵芯上,自上而下排列,接于高壓與地之間。
2、SF6氣體絕緣電壓互感器
SF6氣體絕緣電壓互感器由外殼、絕緣套管、鐵芯、一、二次繞組以及安裝附件組成。一次繞組一般采用寶塔形層式繞組,并按分級方式繞制;二次繞組為層式繞組,緊靠鐵芯繞制,鐵芯通常采用單相雙柱疊片鐵芯。
SF6氣體絕緣電壓互感器可以與GIS配套,也可以作為獨立的SF6氣體絕緣電壓互感器。
3、澆注絕緣電壓互感器
澆注絕緣采用不飽和樹脂和環氧樹脂。澆注絕緣電壓互感器通常用于35kV電壓等級,可做成戶內、戶外、接地、不接地等多種結構。
對于10kV開關柜內,幾乎全部采用澆注式。
4、電容式電壓互感器
電容式電壓互感器的結構,按電容分壓器和電磁單元的組合方式分為:分裝式和單柱式兩種。
電容分壓器和電磁單元分別安裝,電磁單元通過外部套管與電容分壓器的中亞端子相互連接的方式稱為分裝式。
電容分壓器和電磁單元上下組裝在一起,二者在產品內部連接,稱為單柱式。
電壓互感器的工作原理
其工作原理與變壓器相同,基本結構也是鐵心和原、副繞組。特點是容量很小且比較恒定,正常運行時接近于空載狀態。
電壓互感器本身的阻抗很小,一旦副邊發生短路,電流將急劇增長而燒毀線圈。為此,電壓互感器的原邊接有熔斷器,副邊可靠接地,以免原、副邊絕緣損毀時,副邊出現對地高電位而造成人身和設備事故。
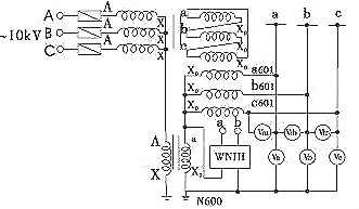
測量用電壓互感器一般都做成單相雙線圈結構,其原邊電壓為被測電壓(如電力系統的線電壓),可以單相使用,也可以用兩臺接成V-V形作三相使用。實驗室用的電壓互感器往往是原邊多抽頭的,以適應測量不同電壓的需要。供保護接地用電壓互感器還帶有一個第三線圈,稱三線圈電壓互感器。三相的第三線圈接成開口三角形,開口三角形的兩引出端與接地保護繼電器的電壓線圈聯接。
正常運行時,電力系統的三相電壓對稱,第三線圈上的三相感應電動勢之和為零。一旦發生單相接地時,中性點出現位移,開口三角的端子間就會出現零序電壓使繼電器動作,從而對電力系統起保護作用。
線圈出現零序電壓則相應的鐵心中就會出現零序磁通。為此,這種三相電壓互感器采用旁軛式鐵心(10KV及以下時)或采用三臺單相電壓互感器。對于這種互感器,第三線圈的準確度要求不高,但要求有一定的過勵磁特性(即當原邊電壓增加時,鐵心中的磁通密度也增加相應倍數而不會損壞)。
電壓互感器是發電廠、變電所等輸電和供電系統不可缺少的一種電器。精密電壓互感器是電測試驗室中用來擴大量限,測量電壓、功率和電能的一種儀器。電壓互感器和變壓器很相像,都是用來變換線路上的電壓。
線路上為什么需要變換電壓呢?這是因為根據發電、輸電和用電的不同情況,線路上的電壓大小不一,而且相差懸殊,有的是低壓220V和380V,有的是高壓幾萬伏甚至幾十萬伏。要直接測量這些低壓和高壓電壓,就需要根據線路電壓的大小,制作相應的低壓和高壓的電壓表和其他儀表和繼電器。這樣不僅會給儀表制作帶來很大困難,而且更主要的是,要直接制作高壓儀表,直接在高壓線路上測量電壓,那是不可能的,而且也是絕對不允許的。
電壓互感器接線方法
1、單相接線常用于大接地電流系統判線路無壓或同期,可以接任何一相,但另一判據要用母線電壓的對應相。

2、接于兩相電壓間的一只電壓互感器,主要用于小電流接地系統判線路無壓或同期,因為小接地電流系統允許單相接地,如果只用一只單相對地的電壓互感器,如果電壓互感器正好在接地相時,該相測得對地電壓為零,則無法檢定線路是否卻以無壓,如果錯判則可能造成非同期合閘。

3、V/V接線主要用于小接地電流系統的母線電壓測量,它只要兩只接于線電壓的電壓互感器就能完成三相電壓的測量,節約投資。但該接線無法測量系統的零序電壓。

4、星形接線和三角接線應用最多,常用于母線測量三相電壓和零序電壓。

5、中性點安裝有消弧電壓互感器的星形接線。在電流接地系統,當單相接地時允許繼續運行2h,非接地相的電壓上升為線電壓,對于間隙性接地還有暫態過電壓。

這可能造成電壓互感器鐵芯飽和,引起鐵磁諧振,使系統產生諧振過電壓,所以在小電流接地系統中電壓互感器要考慮消諧問題。
6、用以檢定同期或線路無壓的線路電壓互感器采用電容型或電壓抽取裝置。

電壓互感器的注意事項
1.電壓互感器在投入運行前要按照規程規定的項目進行試驗檢查。例如,測極性、連接組別、搖絕緣、核相序等。
2.電壓互感器的接線應保證其正確性,一次繞組和被測電路并聯,二次繞組應和所接的測量儀表、繼電保護裝置或自動裝置的電壓線圈并聯,同時要注意極性的正確性。
3.接在電壓互感器二次側負荷的容量應合適,接在電壓互感器二次側的負荷不應超過其額定容量,否則,會使互感器的誤差增大,難以達到測量的正確性。
4.電壓互感器二次側不允許短路。由于電壓互感器內阻抗很小,若二次回路短路時,會出現很大的電流,將損壞二次設備甚至危及人身安全。電壓互感器可以在二次側裝設熔斷器以保護其自身不因二次側短路而損壞。在可能的情況下,一次側也應裝設熔斷器以保護高壓電網不因互感器高壓繞組或引線故障危及一次系統的安全。
5.為了確保人在接觸測量儀表和繼電器時的安全,電壓互感器二次繞組必須有一點接地。因為接地后,當一次和二次繞組間的絕緣損壞時,可以防止儀表和繼電器出現高電壓危及人身安全。
6、電壓互感器副邊絕對不容許短路。
電壓互感器的異常與處理
(一)常見異常
(1)三相電壓指示不平衡:一相降低(可為零),另兩相正常,線電壓不正常,或伴有聲、光信號,可能是互感器高壓或低壓熔斷器熔斷;
(2)中性點非有效接地系統,三相電壓指示不平衡:一相降低(可為零),另兩相升高(可達線電壓)或指針擺動,可能是單相接地故障或基頻諧振,如三相電壓同時升高,并超過線電壓(指針可擺到頭),則可能是分頻或高頻諧振;
(3)高壓熔斷器多次熔斷,可能是內部絕緣嚴重損壞,如繞組層間或匝間短路故障;
(4)中性點有效接地系統,母線倒閘操作時,出現相電壓升高并以低頻擺動,一般為串聯諧振現象;若無任何操作,突然出現相電壓異常升高或降低,則可能是互感器內部絕緣損壞,如絕緣支架繞、繞組層間或匝間短路故障;
(5)中性點有效接地系統,電壓互感器投運時出現電壓表指示不穩定,可能是高壓繞組N(X)端接地接觸不良。
(6)電壓互感器回路斷線處理。
(二)處理方法
1. 根據繼電保護和自動裝置有關規定,退出有關保護,防止誤動作。
2. 檢查高、低壓熔斷器及自動空氣開關是否正常,如熔斷器熔斷、應查明原因立即更換,當再次熔斷時則應慎重處理。
3.檢查電壓回路所有接頭有無松動、斷開現象,切換回路有無接觸不良現象。
烜芯微專業制造二極管,三極管,MOS管,20年,工廠直銷省20%,1500家電路電器生產企業選用,專業的工程師幫您穩定好每一批產品,如果您有遇到什么需要幫助解決的,可以點擊右邊的工程師,或者點擊銷售經理給您精準的報價以及產品介紹
烜芯微專業制造二極管,三極管,MOS管,20年,工廠直銷省20%,1500家電路電器生產企業選用,專業的工程師幫您穩定好每一批產品,如果您有遇到什么需要幫助解決的,可以點擊右邊的工程師,或者點擊銷售經理給您精準的報價以及產品介紹

