什么是nmos
NMOS英文全稱為N-Metal-Oxide-Semiconductor。 意思為N型金屬-氧化物-半導體,而擁有這種結構的晶體管我們稱之為NMOS晶體管。 MOS晶體管有P型MOS管和N型MOS管之分。由MOS管構成的集成電路稱為MOS集成電路,由NMOS組成的電路就是NMOS集成電路,由PMOS管組成的電路就是PMOS集成電路,由NMOS和PMOS兩種管子組成的互補MOS電路,即CMOS電路。
什么是pmos
PMOS是指n型襯底、p溝道,靠空穴的流動運送電流的MOS管。
P溝道MOS晶體管的空穴遷移率低,因而在MOS晶體管的幾何尺寸和工作電壓絕對值相等的情況下,PMOS晶體管的跨導小于N溝道MOS晶體管。此外,P溝道MOS晶體管閾值電壓的絕對值一般偏高,要求有較高的工作電壓。它的供電電源的電壓大小和極性,與雙極型晶體管——晶體管邏輯電路不兼容。PMOS因邏輯擺幅大,充電放電過程長,加之器件跨導小,所以工作速度更低,在NMOS電路(見N溝道金屬—氧化物—半導體集成電路)出現之后,多數已為NMOS電路所取代。只是,因PMOS電路工藝簡單,價格便宜,有些中規模和小規模數字控制電路仍采用PMOS電路技術。
nmos和pmos區別
在實際項目中,我們基本都用增強型mos管,分為N溝道和P溝道兩種。我們常用的是NMOS,因為其導通電阻小,且容易制造。在MOS管原理圖上可以看到,漏極和源極之間有一個寄生二極管。這個叫體二極管,在驅動感性負載(如馬達),這個二極管很重要。順便說一句,體二極管只在單個的MOS管中存在,在集成電路芯片內部通常是沒有的。
1、導通特性
NMOS的特性,Vgs大于一定的值就會導通,適合用于源極接地時的情況(低端驅動),只要柵極電壓達到4V或10V就可以了。 PMOS的特性,Vgs小于一定的值就會導通,適合用于源極接VCC時的情況(高端驅動)。但是,雖然PMOS可以很方便地用作高端驅動,但由于導通電阻大,價格貴,替換種類少等原因,在高端驅動中,通常還是使用NMOS。
2.MOS開關管損失
不管是NMOS還是PMOS,導通后都有導通電阻存在,這樣電流就會在這個電阻上消耗能量,這部分消耗的能量叫做導通損耗。選擇導通電阻小的MOS管會減小導通損耗?,F在的小功率MOS管導通電阻一般在幾十毫歐左右,幾毫歐的也有。 MOS在導通和截止的時候,一定不是在瞬間完成的。MOS兩端的電壓有一個下降的過程,流過的電流有一個上升的過程,在這段時間內,MOS管的損失是電壓和電流的乘積,叫做開關損失。通常開關損失比導通損失大得多,而且開關頻率越高,損失也越大。 導通瞬間電壓和電流的乘積很大,造成的損失也就很大。縮短開關時間,可以減小每次導通時的損失;降低開關頻率,可以減小單位時間內的開關次數。這兩種辦法都可以減小開關損失。
3.MOS管驅動
跟雙極性晶體管相比,一般認為使MOS管導通不需要電流,只要GS電壓高于一定的值,就可以了。這個很容易做到,但是,我們還需要速度。 在MOS管的結構中可以看到,在GS,GD之間存在寄生電容,而MOS管的驅動,實際上就是對電容的充放電。對電容的充電需要一個電流,因為對電容充電瞬間可以把電容看成短路,所以瞬間電流會比較大。選擇/設計MOS管驅動時第一要注意的是可提供瞬間短路電流的大小。
第二注意的是,普遍用于高端驅動的NMOS,導通時需要是柵極電壓大于源極電壓。而高端驅動的MOS管導通時源極電壓與漏極電壓(VCC)相同,所以這時柵極電壓要比VCC大4V或10V。如果在同一個系統里,要得到比VCC大的電壓,就要專門的升壓電路了。很多馬達驅動器都集成了電荷泵,要注意的是應該選擇合適的外接電容,以得到足夠的短路電流去驅動MOS管。
PMOS和NMOS導通條件
MOS與NMOS兩種增強型場效應管的開關電路作了詳細的介紹, 并且還提到過一種廣為流傳的說法:相對于NMOS管,PMOS管的溝道導通電阻更大、速度更慢、成本更高等,還是從頭講起吧!
如果讀者有一定的電子技術應用經驗的話,對NMOS管開關電路的使用場合肯定是如數家珍,幾乎所有的開關電源拓撲都偏向于使用NMOS管(而不是PMOS管),如正激、反激、推挽、半橋、全橋等拓撲,NMOS管的應用電路案例真心不要太多。
可以看看國際整流器MOS管的分類,如下圖所示:


除兩個圈所標注的內容是PMOS管外,其它都是NMOS管,并且NMOS管在電壓檔次上比PMOS管要細分得多,從側面可以說明NMOS管的應用場合比PMOS要大得多(因為應用多,所以需求多,繼而型號多),如果你粗略地統計一下PMOS與NMOS型號的數量,NMOS管絕對獨占鰲頭。
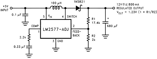
有人說:應該是PMOS管在使用的時候控制電路太過復雜,與NMOS管的驅動比較,PMOS還需要額外的三極管,成本太高。那繼續往下看,如果讀者對電子技術足夠感興趣且好奇心總是不一般的話,應該對降壓型BUCK單片開關電源電路有一定的了解,那自然會遇到類似下圖所示的電路:


這是最常用的BUCK拓撲降壓芯片的典型應用電路,但是有些降壓芯片應用電路卻稍微有所不同,如下圖所示:


與LM2596S芯片相比多了一個BOOST(BST)引腳,一般在該引腳與SW之間串一個小電容,這是為什么呢?
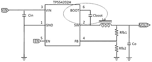
有經驗的讀者可能會說:這種芯片是采用同步整流方案(關于同步整流可參考文章【開關電源(1)之BUCK變換器】,簡單的說,就是用MOS管來代替續流二極管,以達到降低損耗繼而提升轉換效率的目的),內部是用兩個NMOS管配合工作的,需要一個自舉升壓電路,所以才需要外接一個電容。該芯片開關管結構如下圖所示:


然而同步整流方案與使用NMOS管作為開關管之間沒有因果關系,換言之,就算是異步整流方案,芯片也會偏向于使用NMOS管,如下圖所示:


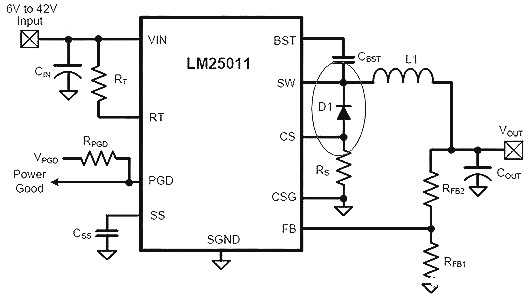
LM25011就是異步整流方案,該芯片的內部開關管的結構如下圖所示:


總之一句話:如果內部開關管使用場效應管,那大多數是NMOS管,而PMOS管用著少。
在文章《開關電源(1)之BUCK變換器》中詳細介紹了降壓型BUCK開關電源拓撲,并且還用下圖做了一次仿真:


用PMOS管來實現開關切換功能的電路是要多簡潔就多簡潔
同樣的現象也存在于BOOST變換器芯片中,BOOST單片升壓芯片典型應用電路如下圖所示:


同樣,有些升壓芯片多了一個BOOST/BST引腳,如下圖所示:


這里要說明一下:上圖中芯片外圍接有的PMOS管并不是必須的,因為BOOST拓撲由于其本身的特性,在芯片不工作時輸出是無法關閉的(輸出電壓略小于輸入電壓),這與BUCK拓撲不同,如果需要完全關閉電壓輸出,必須額外添加一個PMOS管開關電路,這就是我們在文章開關介紹的PMOS管電源開關控制電路。
該芯片的內部開關管的結構如下圖所示:


當然,異步整流升壓芯片就沒必要再弄個BST引腳了,因為NMOS管已經是比較理想的架構了,我們在文章《開關電源(2)之BOOST變換器》中也是用NMOS管來仿真的,如下圖所示:

前面提到過,PMOS管的導通電阻比NMOS管的導通電阻要大,我們可以找外部參數盡量相同的數據手冊來對比一下,如下圖所示:

在相同的工藝、耐壓等條件下,NMOS導通電阻為0.036W(W就是歐姆的意思,形狀很像符號Ω),而PMOS導通電阻要大得多,其值為0.117Ω,當然,這并不能作為PMOS管的導通電阻比NMOS要大的直接證據,然而事實上,在相同的工藝及尺寸面積條件下,PMOS管的導通電阻確實要比NMOS管要大,這樣PMOS開關管的導通損耗比NMOS要大。
將PMOS管應用場合比較少的原因歸結于P溝道導通電阻更大似乎是個比較理想的答案,然而我們還是不禁要問一下:為什么PMOS管的導通電阻比NMOS要大呢?這主要是源自于導通溝道在一個特性方面的差別:電子遷移率(Electron mobility)。
我們在文章《二極管》里講解PN結的時候,已經提到過P型半導體與N型半導體的由來,P型半導體就是在本征半導體中摻入3價的元素(如硼元素),其結構如下圖的所示:


在合理的范圍內摻入的雜質越多,則多數載流子空穴就更多,P型半導體的導電性也似乎將會變得更好。
相應的,N型半導體就是在本征半導體(純凈無摻雜的)中摻入5價的元素(如磷元素),其結構如下圖的所示:


同樣的,在合理范圍內摻入的雜質越多,則多數載流子電子就更多,N型半導體的導電性也因此似乎將會變得更好,而PMOS管或NMOS管的導通溝道就是P型或N型,這看起來兩者沒有太大的區別,只要控制摻入雜質的數量,就可以控制摻雜半導體的導電性,但實際上并非這么回事!因為半導體的導電性不僅與載流子(電子或空穴)濃度有關,還與載流子的遷移率(速度)有關。
我們從初中物理學就知道,導體之所以容易導電,是因為自由電子比較多,而絕緣體很難導電是因為自由電子比較少,半導體中的導電性也是類似的。
NMOS管是導電溝道是N型半導體,其多數載流子是電子,當半導體外部施加電場時,載流子電子將按下圖所示的遷移:


載流子電子在由A點到F點的運動過程中,不斷地與晶格原子或雜質離子發生碰撞,因此運動軌跡不是直線的,只有一個平均的遷移方向(細節可自行參考相關文檔),但有一點需要注意的是:載流子電子在遷移過程中不會進入共價鍵中,總是在圖所示的“空檔”移動,這些地方沒有共價鍵位置的束縛力,因此載流子電子的遷移率(速度)比較高。
在《半導體物理學》中,我們把自由電子存在的空間叫做導帶,而把共價鍵所在的空間叫做價帶,很明顯,價帶中有來自晶格原子(如硅、鍺)或雜質離子(如硼、磷)的束縛力,因此價帶(共價鍵)中的電子要跑出來就必須具備一定的能量(如光或熱),而電子在導帶中則不需要。
PMOS管是導電溝道是P型半導體,其多數載流子是空穴,當半導體外部施加電場時,載流子空穴將按下圖所示的遷移:


空穴移動可以看作是電子的反向移動,每一次空穴移動時,都可以看成是電子從導帶中跳入到價帶中(填充某個空穴),再從價帶中跳出來往相鄰的價帶中移動,很明顯,空穴遷移的速度是不如電子遷移速度的,因為電子一旦跳進價帶(共價鍵)中,就會受到共價鍵的束縛力,需要更多的能量激發才能跳出來。
你可以將這種遷移方式比作游泳,NMOS管相當于在水里游泳,而PMOS管相當于在油水相間的泳道中游泳,很明顯,在相同的條件下,在水里游泳的速度會更快一些,如下圖所示:


電子與空穴遷移率的差別表現之一在場效應管的開關速度上,我們在文章《邏輯門》中已經介紹過,CMOS反相器是由一個PMOS管與NMOS管來完成的,如下圖所示:


當輸入A=0時,輸出Y=1,當輸入A=1時,輸出Y=0,由于PMOS管(上側帶圈圈的)的空穴遷移率比NMOS管的電子遷移率要小,因此,在相同的尺寸條件下,輸出Y的上升速率比下降速率要慢,這樣帶來的結果是:開關損耗相應會比NMOS管大一些(關于“開關損耗”可參考文章【開關電源(1)之BUCK變換器】)。
當然,你可以做一個與NMOS管驅動能力相同的PMOS管,但需要的器件面積可能是NMOS管的2~3倍,這就是錢吶,而且器件面積會影響導通電阻、輸入輸出電容,而這些參數會影響電路的延遲。
同樣,在相同的尺寸條件下,PMOS管溝道導通電阻比NMOS要大一些,這樣開關導通損耗相應也會比NMOS管要大一些
正是因為遷移率的差別才有速度與溝道導通電阻的差別,才導致PMOS管的應用范圍受到限制,這樣PMOS的市場用量必然不如NMOS管,從工藝上來講,PMOS管與NMOS管的制造并無多大不同,但市場經濟的杠桿總是無處不在的,所以PMOS管比NMOS管貴很大一部分也是由市場決定的(材料成本低并不總意味著價格低),而不能簡單地認為:因為PMOS管與NMOS管貴,所以應用場合少。
烜芯微專業制造二三極管,MOS管,20年,工廠直銷省20%,1500家電路電器生產企業選用,專業的工程師幫您穩定好每一批產品,如果您有遇到什么需要幫助解決的,可以點擊右邊的工程師,或者點擊銷售經理給您精準的報價以及產品介紹
烜芯微專業制造二三極管,MOS管,20年,工廠直銷省20%,1500家電路電器生產企業選用,專業的工程師幫您穩定好每一批產品,如果您有遇到什么需要幫助解決的,可以點擊右邊的工程師,或者點擊銷售經理給您精準的報價以及產品介紹

